双向丝杠原理图

sd系列精密双向滚珠丝杠
图片尺寸600x288
kss sg0606-134r170c5 丝杠
图片尺寸702x244
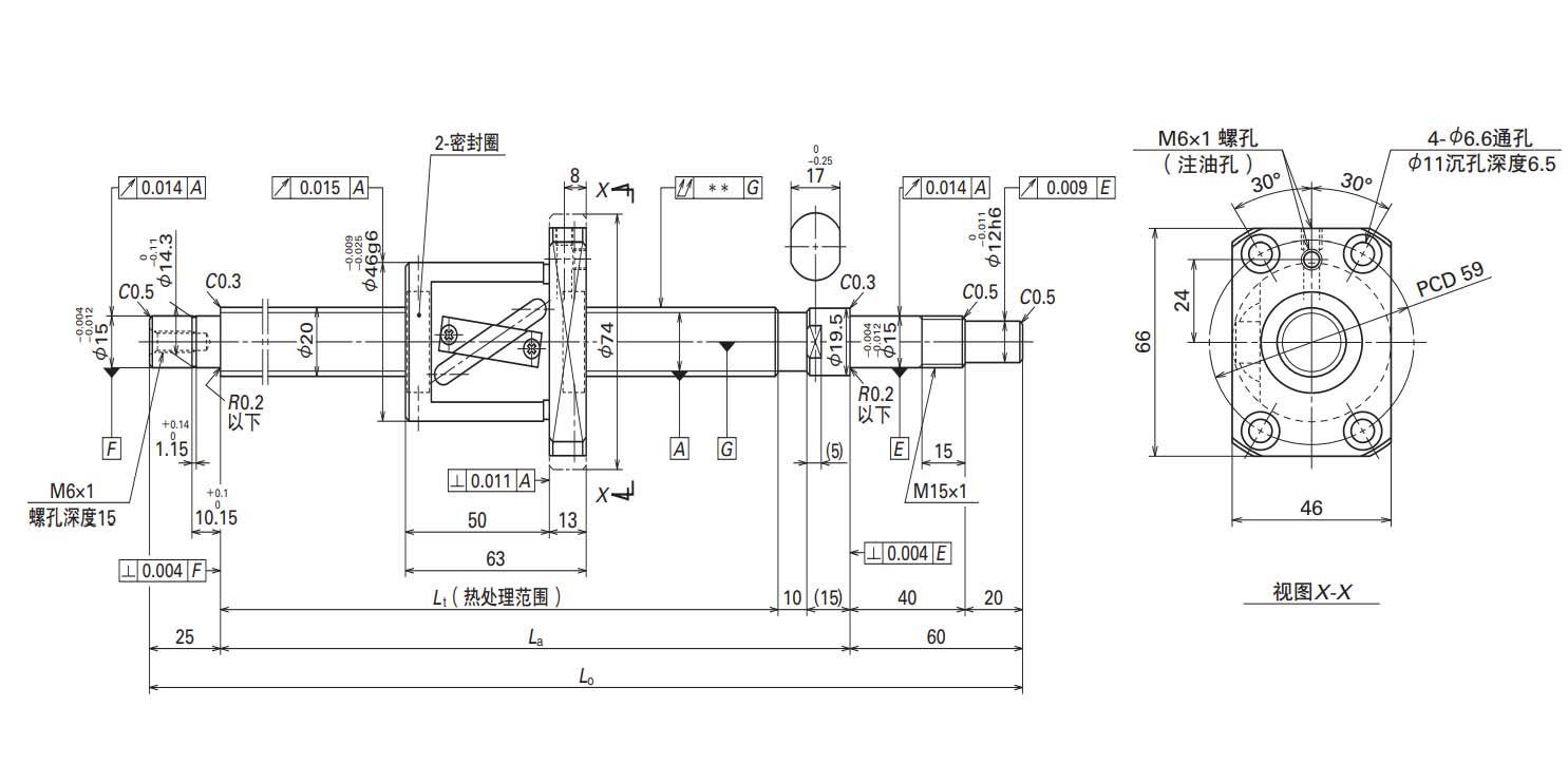
nsk 滚珠丝杠 小型fa系列 ma.fa.
图片尺寸1485x742
滚珠丝杠的工作原理
图片尺寸625x832
滚珠丝杠原理滚珠丝杠工作原理
图片尺寸1308x893
人形机器人丝杠行业专题报告:线性传动核心部件,国产替代星辰大海
图片尺寸640x495
滚珠丝杆基础介绍
图片尺寸486x189
丝杠螺母副传动控制装置
图片尺寸2392x1512
滚珠丝杠副参数计算与选用
图片尺寸520x354
滚珠丝杠原理与用途
图片尺寸600x396
压轧滚珠丝杠 轴径8 导程2 lcc07 lcc08_mm_负载_参数
图片尺寸1110x571
nsk空气主轴江苏勃曼工业
图片尺寸724x486
滚珠丝杠结构原理图
图片尺寸500x271
精密传动界的扛把子聊聊滚珠丝杆的那些事
图片尺寸961x405
入手25lv,六一更新定做滚珠丝杠图纸
图片尺寸897x487
滚珠丝杠螺母副类型选择.jpg
图片尺寸490x207
上银滚珠丝杠的固定方法
图片尺寸900x400
这里我们只简述外循环滚珠丝杠的工作原理,内循环滚珠丝杠的工作原理
图片尺寸400x293
nsk 滚珠丝杠 小型fa系列 ma.fa.
图片尺寸1485x742
滚珠丝杠的工作原理7页
图片尺寸920x1302