双回架空线路图

双回线路中开断其中一回线路的接线结构
图片尺寸1476x1925
"双回线环形运行快速解环方法"已在变电站成功应用
图片尺寸1027x607
关于架空线路的介绍
图片尺寸898x548
架空配电线路
图片尺寸500x469
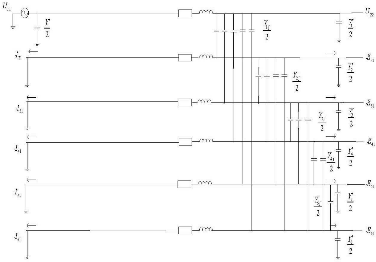
一种长距离特高压同塔双回线路相间互电容测量方法
图片尺寸1260x880
一种风电场35kv双回架空输电线路专用抗冰塔
图片尺寸578x1000
图文版架空输电线路基本知识金具
图片尺寸1077x1030
500kv同塔双回输电线路雷电反击的仿真分析
图片尺寸524x612
10kv以下架空线路工程施工工艺
图片尺寸920x1302
4 三回架空线路电杆标志牌安装电杆标志牌悬挂处不应被其他物品遮挡
图片尺寸640x686
关于架空线路的介绍
图片尺寸895x361
10千伏双回线路上的导线如何排序?如何判别相序?
图片尺寸440x330
有三根或者六根导线(同一铁塔上六根导线为同塔双回架设线路)
图片尺寸660x792
同塔双回110kv220kv混压输电线路杆塔
图片尺寸714x1731
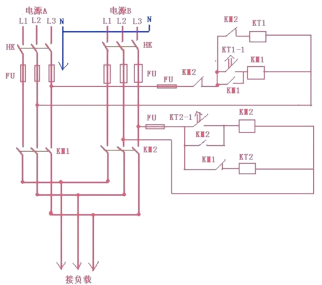
双电源与双回路供电:理解与应用指南
图片尺寸1080x957
楚威自投自复防灾双电源箱 ipb500高铁客专用防火防灾 配电箱
图片尺寸750x1181
双电源自动转换开关控制器图片视频教程双电源自动转换开关控制器图片
图片尺寸1458x1280
双回路输电线路,属于高压,超高压,特高压架空线路电能输送技术领域
图片尺寸1229x2098
架空城市轨道交通线路运营图
图片尺寸1196x1080
架空地铁图发展史
图片尺寸1236x1079