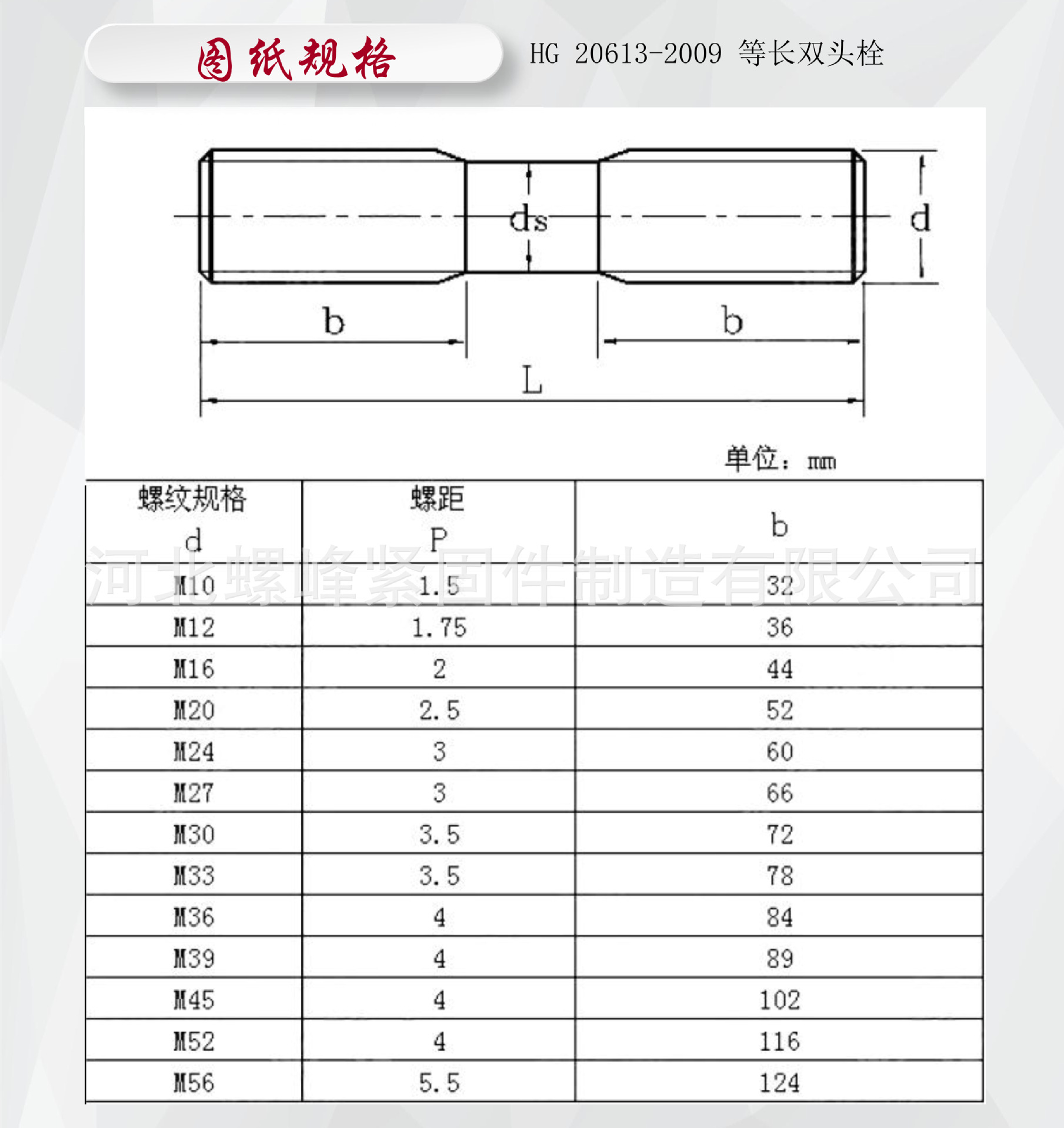
双头螺柱国家标准

双头螺柱标准
图片尺寸901x1353
优质双头螺柱厂家直销gb897,8.8级通止规验收
图片尺寸790x1410
m4*20--250〗304不锈钢双头螺栓螺柱螺丝螺杆丝杆牙棒gb901
图片尺寸790x988
jbzq43241997双头螺柱bm1d
图片尺寸800x1122
等长双头螺柱-b级(gb/t 901-1988)-宁波中紧五金有限公司
图片尺寸650x625
双头螺柱-碳钢高强度双头螺栓-m8-m36螺杆全螺纹螺柱
图片尺寸1820x1920
2-2-1992 c型和sw型双头短螺纹螺柱(d≤56mm) 表2-螺丝标准查询-华人
图片尺寸2245x1387
b级等长双头螺柱(双头栓) gb901-1988 - 产品标准 - 高强度大六角螺栓
图片尺寸590x632
201/304/316l 不等长双头螺栓 gb/t 897 不等长双头螺柱
图片尺寸905x427
奥展gb901等长双头螺柱无头螺杆国标304不锈钢a2-70 m6*40-m8*300
图片尺寸790x622
gb/t 900 双头螺柱 b1=2d
图片尺寸500x370
双头螺柱-碳钢高强度双头螺栓-m8-m36螺杆全螺纹螺柱
图片尺寸1809x1919
2015年国标gb90188双头螺栓双头螺柱a型价格
图片尺寸800x556
2015年国标gb90188双头螺丝双头螺柱b型价格
图片尺寸800x557
2-1-2008 l型双头等长螺柱 表1-螺丝标准查询-华人螺丝网
图片尺寸2245x1387
gbt89988双头螺柱bm15dudc621882代替gb89976doubleendstudsbm15d
图片尺寸463x600
8级双头螺柱!
图片尺寸969x838
8级双头螺柱螺杆 高强度合金钢螺栓厂家**双头3标准类型 国标 型号
图片尺寸790x1908
华人304不锈钢双头螺栓 螺丝螺柱螺杆丝杆牙棒 gb901国标m20 m24 规格
图片尺寸654x1568
双头螺栓bm125d88
图片尺寸900x1360