双稳态电路 开关

三极管双稳态开关电路 和 ne555双稳态开关电路
图片尺寸1816x1296
单键双稳态开关电路
图片尺寸950x743
轻触开关双稳态触发电路图
图片尺寸1024x681
展开全部 就是单键双稳态电路了,给你一个比较简单的.
图片尺寸915x520
展开全部 是双稳态电路 向左转 向右转
图片尺寸364x384
【求助】求一个双稳态电路(一键开关)
图片尺寸687x522
双稳态一键开关机电路知识介绍
图片尺寸530x368
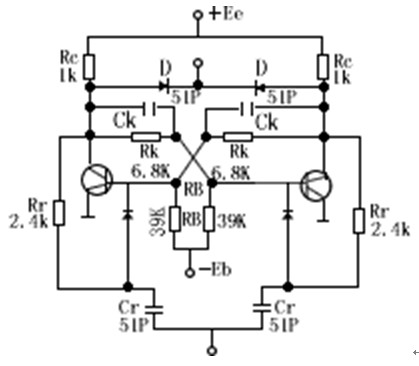
双稳态开关
图片尺寸776x319
双稳态开关
图片尺寸607x584
你可能喜欢 双稳态电路 看懂电路图 电子元器件知识 电子开关电路图
图片尺寸921x634
用555做一个双稳态开关,麻烦给一个具体的电路图?谢谢各位大哥了 1
图片尺寸438x279
双稳态开关电路.通电不一定是常开,而是随机的.
图片尺寸350x260
你提出"你应该熟悉双稳态电路吧?不用中间继电器就能实现
图片尺寸343x267
双稳态开关
图片尺寸607x569
双稳态开关
图片尺寸419x366
双稳态一键开关机电路
图片尺寸965x462
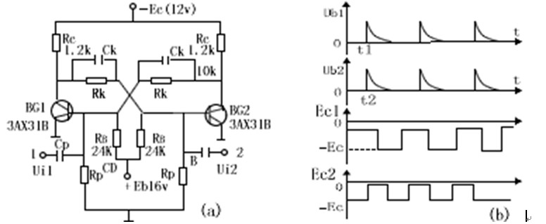
设计了一个双键双稳态电路简单可靠及其应用
图片尺寸1357x842
双稳态开关
图片尺寸331x334
双稳态加延时的开关怎么设计
图片尺寸629x333
最简单的双稳态电路
图片尺寸975x373