双螺母防松安装图

双螺母防松结构的受力分析及正确使用
图片尺寸568x410
图6 双向防松螺母
图片尺寸560x466
cn209067641u_一种带弹性凸起螺母与环槽螺母组成的双螺母防松螺栓组
图片尺寸972x1000
双丝异步防松动螺母的制作方法
图片尺寸565x1000
双螺母拧紧结构防松装置
图片尺寸618x377
薄螺母在下 在社区论坛上出现了好几次关于采用双螺母防松时
图片尺寸369x488
富士双弹片圆形自动防松螺母
图片尺寸1391x673
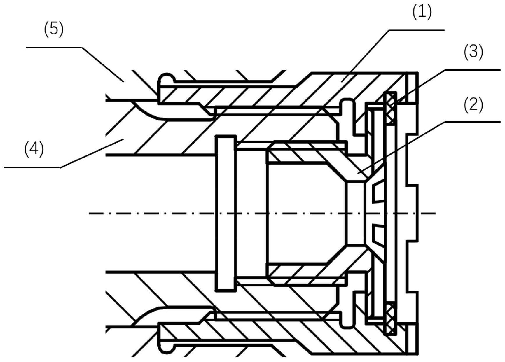
防松双螺母
图片尺寸1679x1068
双螺母预紧的两种形式疑惑
图片尺寸303x315
双螺母防松应该这样用
图片尺寸850x589
一种适用于轴类部件的双螺母防松装置-爱企查
图片尺寸1731x1241
一种适用于轴类部件的双螺母防松装置的制作方法
图片尺寸1000x716
一种双螺母防松螺栓的连接方法
图片尺寸2159x1537
双螺母防松需要较大的扭矩,操作不便的问题,提出了一种结构简单,安装
图片尺寸860x1000
主要由正反向双螺纹螺杆,紧固螺母,定位销,限位螺母组成,其中紧固螺母
图片尺寸640x334
双螺母紧固件结构
图片尺寸760x400
一种组合式螺母锁紧的螺纹防松结构及设计方法与流程
图片尺寸1000x855
一种螺纹防松双螺母的制作方法
图片尺寸533x1000
3.自锁螺母防松
图片尺寸600x514
发明防松螺母无人问津,七旬老人只想要一个答案—— 他的"呕心之作"有
图片尺寸400x299