双轴承座的设计

solidworks轴承座建模.今天画个简单的,里面的图纸也
图片尺寸1834x1279
kcsj-04轴承座零件的工艺规程及夹具设计
图片尺寸1122x793
轴承座
图片尺寸2338x1653
kcsj-04轴承座零件的工艺规程及夹具设计
图片尺寸1122x793
轴承座机械加工工艺规程及钻m10螺纹孔夹具设计学生用参考资料
图片尺寸2964x1962
重型滚珠丝杠轴承座lwbk/sbk/mbk/wbk17 20 25 30 35 40 50 60df/dfd
图片尺寸7016x4961
机械加工工艺及夹具设计 - 抖音
图片尺寸978x693
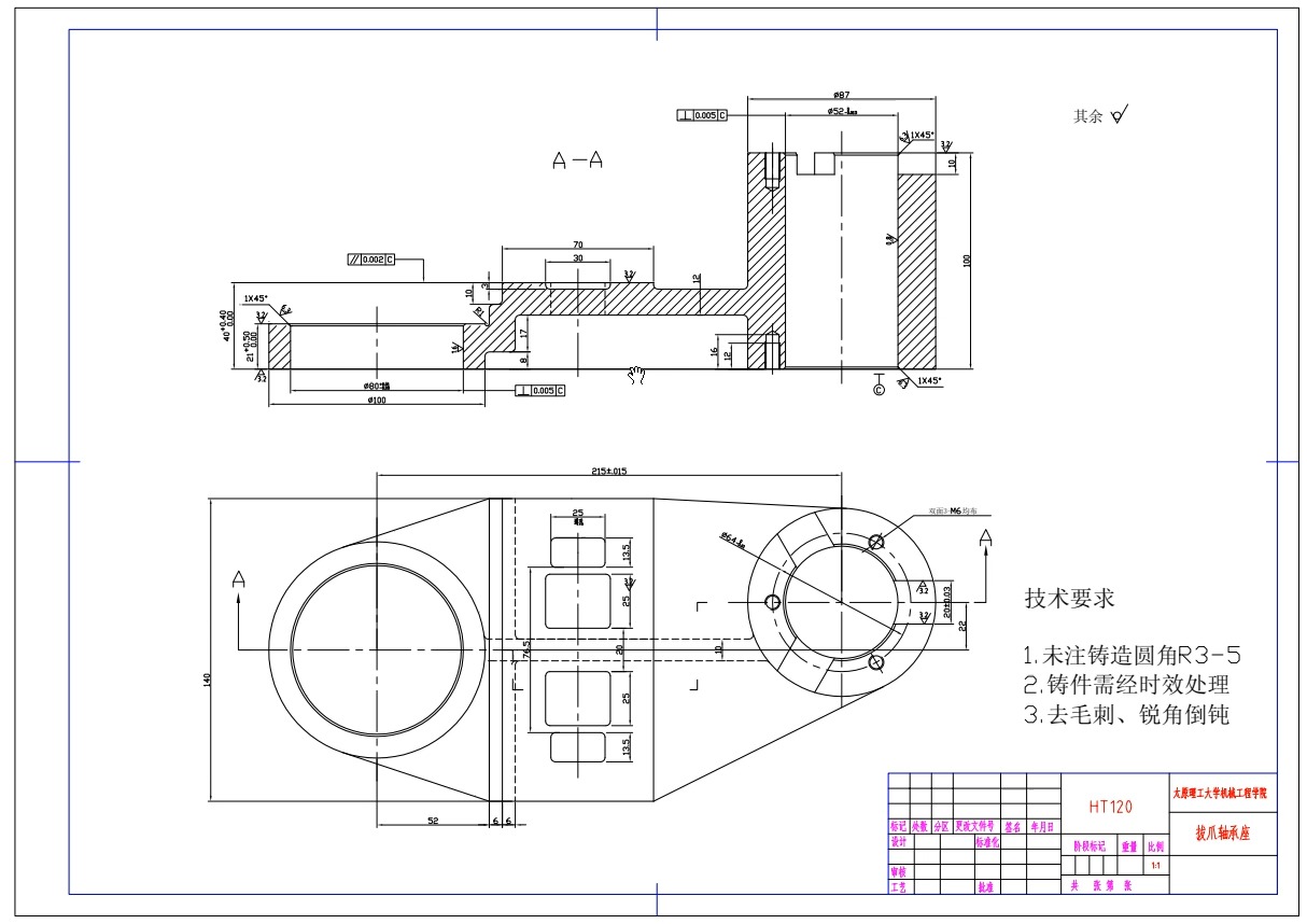
拨爪轴承座零件的机械制造工艺学课程设计和夹具设计指导教程
图片尺寸1214x858
铝合金圆法兰双轴承座组件带座轴承固定座轴支座架bgrbb6905 6206
图片尺寸750x960
轴承座设计图分享.这单徒弟画了120元.#机械设计 大家看看
图片尺寸1438x2034
轴承座总成设计含solidworks12版三维模型可编辑
图片尺寸1537x822
圆法兰轴承座带扣环双轴承座钢件圆型轴承固定座bfp01 bgrbb6204
图片尺寸750x1122
轴承座
图片尺寸1200x800
轴承座总成设计含solidworks12版三维模型可编辑
图片尺寸1555x830
适用于立式双轴承座组件铝合金支撑固定座kewp6000 6002 6004光轴 k
图片尺寸720x720
《轴承smn111ks》是一款轴承座单元,型号是
图片尺寸484x498
一个小例子,例如一个轴承座设计了多个版本,不同设计效果会有点差异
图片尺寸1575x1066
一种方便注油的轴承座的制作方法
图片尺寸1645x1623
轴承座建模
图片尺寸1598x915
轴承座组件无扣环bfr6901双轴承座bgrcb圆法兰嵌入型6800双轴承座
图片尺寸800x800