双速电机电流

双速电机控制电路
图片尺寸1278x718
电机电流参数表
图片尺寸703x562
电机电流明细表
图片尺寸995x772
电机千瓦数与电流对应表
图片尺寸707x1019
yd90s4208511kw西安西玛电机厂三相异步交流双速电机
图片尺寸745x1024
现在有一台双速电机要求:在高速低速时都能正反转,那位师傅给我一个
图片尺寸720x540
yd系列变极多速三相异步电机yd90l-6/4 0.85/1.1kw双速电动机
图片尺寸750x382
双速电机绕组连接示意图 △型低速 yy型高速
图片尺寸1080x810
电机额定电流表
图片尺寸712x691
yd系列变极多速三相异步电机yd180l-8/6 9/12kw双速电动机马达
图片尺寸750x484
双速电机主电路
图片尺寸960x720
上海左力 yd双速电机
图片尺寸900x2453
双速风机电机
图片尺寸680x911
双电机
图片尺寸620x409
电工知识:双速电机工作原理,什么是双yy接法?接线步骤一一讲解
图片尺寸1500x841
i浙江上虞厂家供应 双速异步电机 0.55-160kw
图片尺寸755x1024
22kw电机空载电流22a正常吗
图片尺寸640x542
双速电机接线原理图
图片尺寸920x1302
6 三相交 流电流波形
图片尺寸1080x810
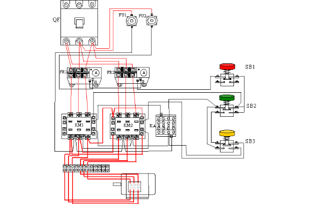
双速电机控制电路图
图片尺寸640x480