双顶置凸轮轴

双顶置凸轮轴
图片尺寸270x351
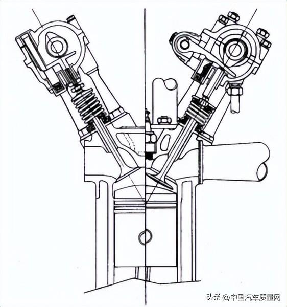
在汽车使用过程中顶置单凸轮轴与顶置双凸轮轴有摇臂与无摇臂的区别是
图片尺寸750x530
双顶置凸轮轴
图片尺寸500x208
汽车百科——浅述顶置凸轮轴
图片尺寸390x215
双顶置凸轮轴发动机
图片尺寸992x834
发动机动画直列6缸直列双顶置凸轮轴(dohc)发动机3d模型
图片尺寸1200x1200
dohc双顶置凸轮轴经改良 照顾更周全
图片尺寸500x659
双顶置凸轮轴(dohc)
图片尺寸499x448
凸轮轴 型 双顶置凸轮轴 发动机 2jz 2jz-gte 应用 丰田 2jz
图片尺寸2000x1333
dohc双顶置凸轮轴
图片尺寸640x426
什么是双顶置凸轮轴凸轮轴的作用是什么
图片尺寸600x338
qq3cac472四缸16气门双顶置凸轮轴高效发动机
图片尺寸500x266
什么是双顶置凸轮轴凸轮轴的作用是什么
图片尺寸600x410
双顶置凸轮轴,老福克斯样样.
图片尺寸700x524
双顶置凸轮轴##凸轮轴##发动机凸轮轴##凸轮轴位置传感器##辐条轮和
图片尺寸640x853
单顶置凸轮轴与双顶置凸轮轴是什么意思
图片尺寸554x591
9 l双顶置式凸轮轴(dual overhead cam)12缸平列式发动机
图片尺寸700x386
汽车时代发展的优越者--双顶置凸轮轴
图片尺寸640x426
汽车凸轮轴详细介绍
图片尺寸640x642
双顶置凸轮轴(高角度凸轮轴的优缺点)
图片尺寸562x600