反接制动接线图

电动机反接制动控制电路
图片尺寸1229x975
异步电动机反接制动控制电路实验原理
图片尺寸4366x2414
星三角降压启动反接制动
图片尺寸602x454
电动机反接制动控制电路
图片尺寸971x695
三相电动机双向启动反接制动plc梯形图求大神速发啊
图片尺寸863x462![[问答题] 画出具有反接制动电阻的可逆运行反接制动控制线路.](https://i.ecywang.com/upload/1/img2.baidu.com/it/u=2946088314,3057095080&fm=253&fmt=auto&app=138&f=JPEG?w=680&h=390)
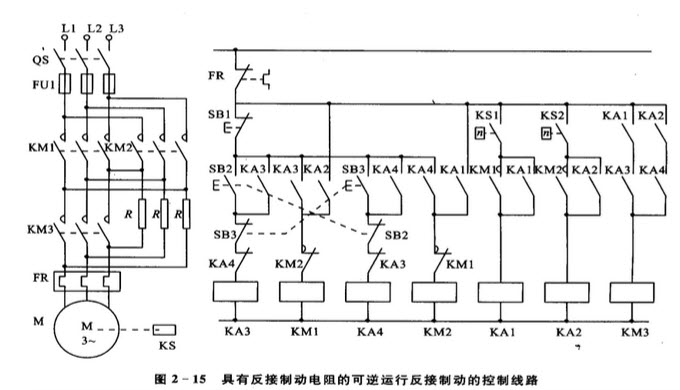
[问答题] 画出具有反接制动电阻的可逆运行反接制动控制线路.
图片尺寸680x390
异步电动机反接制动控制接线图
图片尺寸460x428
单向运转电动机的反接制动电路
图片尺寸1209x1025
谁有星三角启动反接制动控制电路图,有的给个,谢谢!
图片尺寸962x609
单向降压启动反接制动控制线路实物图
图片尺寸750x552
单向运转反接 strong>制动控制电路 /strong>.gif
图片尺寸525x612
三相异步电机进行反接制动时,反接时间为多长?如何控制?
图片尺寸720x540
双向启动反接制动控制线路图解
图片尺寸600x450
基于噪声检测的反接制动控制电气线路制造技术
图片尺寸996x1000
反接制动的原理和电气图
图片尺寸349x356
电动机反接制动控制电路
图片尺寸499x301
反接制动控制线路电路图及工作原理ppt文档资料
图片尺寸920x626
单向运转反接制动电路
图片尺寸640x610
单向运转反接制动电路之二
图片尺寸623x617
单向启动反接制动控制线路
图片尺寸500x416