变压器cad图纸

分享电力变压器cad图资料下载
图片尺寸560x307
110kv变电站典型设计图纸—变压器部分_手机搜狐网
图片尺寸640x452
110kv变电站典型设计图纸—变压器部分
图片尺寸4962x3508
630kva800kva知名地产箱式变压器图纸
图片尺寸560x340
变压器外形图
图片尺寸560x317
这款干式变压器减震器 真的很好【倍尔静环保】
图片尺寸1429x600
单相隔离变压器优势:此类型变压器工作可靠,安装接线简单,温升低.
图片尺寸440x213
三相变压器绕组同名端的头尾怎样辨别?
图片尺寸640x315
110kv变电站典型设计图纸—变压器部分_手机搜狐网
图片尺寸640x452
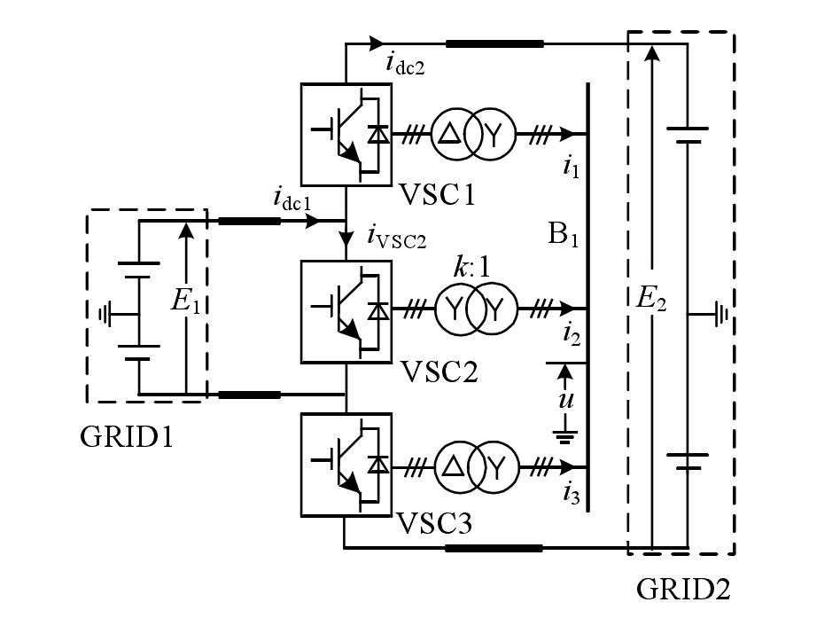
直流变压器
图片尺寸948x697
电网公司配电网工程10kv柱上变压器台典型设计cad图纸
图片尺寸1280x940
电焊变压器
图片尺寸417x302
变压器抽头
图片尺寸496x336
双绕组变压器是什么呢结构原理应用你知道多少
图片尺寸332x293
变压器型号技术参数和符号标识详细介绍
图片尺寸640x257
单台,多台干式试验变压器使用方法
图片尺寸652x356
10kv柱上变压器(吊装)标准化建设关键工艺解析
图片尺寸760x474
变压器型号,技术参数和符号标识详细介绍
图片尺寸640x482
变压器绕组
图片尺寸417x510
电网公司配电网工程10kv柱上变压器台典型设计cad图纸
图片尺寸1280x886