变频器电机接线图

图2-5 一台变频器控制多台电动机并联运行的线路
图片尺寸1886x1742
三相变频电机接线图及详细讲解
图片尺寸555x365
专业的变频器,伺服驱动器,永磁同步电机生产厂家|欢迎访问
图片尺寸1232x1451
西门子变频器6se64402uc211ba1
图片尺寸970x1234
变频器接线方法
图片尺寸900x890
变频器的基本接线图见图10-7.
图片尺寸2466x3691
650s系列变频器标准接线图.jpg
图片尺寸1200x1446
各种变频器接线图集
图片尺寸800x1133
两台相同电机不同时工作,可以用一台变频器 么?
图片尺寸1500x922
变频器的启动与停止如何接线
图片尺寸1004x674
变频器接线图
图片尺寸897x1230
c310-4125-h3c 90kw变频器_东元电机股份有限公司
图片尺寸791x1091
电工知识:如何用变频器来控制电机的正反转
图片尺寸640x815
深圳sinee正弦em630起重专用变频器接线图
图片尺寸950x972
三,地线的接线1,由于在变频器内有漏电流,为了防止触电,变频器和电机
图片尺寸900x492
变频调速器
图片尺寸1491x1744
台达b系列变频器控制回路端子说明图片
图片尺寸1009x1434
三款变频器与电机的接线图
图片尺寸636x427
雕刻机变频器接线图
图片尺寸750x1006
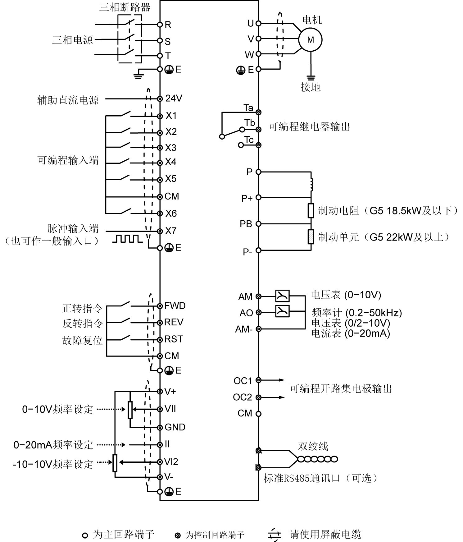
图2-18-7 三相变频器标准配线图
图片尺寸1444x1900