台达b2伺服脉冲接线图

台达b2伺服接线图
图片尺寸1517x2144
哪位大神有台达b2伺服接线图纸
图片尺寸1067x1448
台达-b2伺服驱动器(简单的接线与参数设置)
图片尺寸1080x902
台达伺服b2系列接线方法
图片尺寸920x1302
台达机电产品在自动研磨机上的成功应用
图片尺寸415x486
台达b2系列伺服驱动器的脉冲控制接线有高电平和低电平接法两种:今天
图片尺寸1080x738
台达伺服b2与s7-1200 dc/dc/dc接线图
图片尺寸477x905
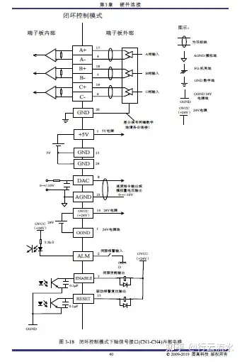
台达b2伺服刚性台达asdab2系列伺服使用手册第三章配线
图片尺寸640x906
台达各系列伺服脉冲接线图
图片尺寸703x565
台达b2伺服的编码器输出可以直接接plc吗
图片尺寸772x782![台达asda-b2伺服驱动器使用手册:[4]](https://i.ecywang.com/upload/1/img2.baidu.com/it/u=1821256280,2201385845&fm=253&fmt=auto&app=138&f=JPEG?w=500&h=708)
台达asda-b2伺服驱动器使用手册:[4]
图片尺寸2380x3368
西门子伺服选型软件如何简单玩转台达b2b2l系列伺服跟着这篇操作就够
图片尺寸552x755
台达b2伺服脉冲线接线图
图片尺寸700x597
台达b2伺服刚性台达asdab2系列伺服使用手册第三章配线
图片尺寸640x906![台达asda-b2伺服驱动器使用手册:[5]](https://i.ecywang.com/upload/1/img1.baidu.com/it/u=2010416637,607135408&fm=253&fmt=auto&app=138&f=JPEG?w=500&h=708)
台达asda-b2伺服驱动器使用手册:[5]
图片尺寸2380x3368
分享3个台达plc控制伺服项目接线及程序案例
图片尺寸836x565![台达asda-b2伺服驱动器使用手册:[4]](https://i.ecywang.com/upload/1/img0.baidu.com/it/u=2766034410,3744193101&fm=253&fmt=auto&app=138&f=JPEG?w=353&h=500)
台达asda-b2伺服驱动器使用手册:[4]
图片尺寸2380x3368
台达伺服b2cn1怎么接线啊各位好哥哥
图片尺寸342x510
台达asda-b2的cn1接线
图片尺寸297x619
台达b2系列伺服控制器如何接线?
图片尺寸481x542