各种阀门示意图

阀门小知识#阀门 #只做高品质 - 抖音
图片尺寸1440x1920
2寸半 @阀门一黄小焰 立式 1分 比例积分阀 2分 热熔增 - 抖音
图片尺寸1074x1920
gb5135.4-2003《干式报警阀》认证知识分享
图片尺寸1169x1029
流量_阀门_控制
图片尺寸1181x1063
阀门图示
图片尺寸642x1032
各类阀门图片
图片尺寸920x1302
低温阀门—技术条件
图片尺寸2480x3507
商标logo
图片尺寸1259x1407
常用阀门原理与应用介绍,非标全面,包含截止阀,调节阀,止回 - 抖音
图片尺寸1240x1660
进口电磁阀的常开和常闭是根据其控制方式来区分的.
图片尺寸549x486
阀门典型结构与工作原理共48页
图片尺寸920x690
阀门主要技术规范你了解多少
图片尺寸800x710
阀门小知识大放送!水系统三大闸阀大比拼,你pick哪一款?
图片尺寸1181x1063
暖气阀门开关示意图os?常见的十种阀门图片
图片尺寸640x837
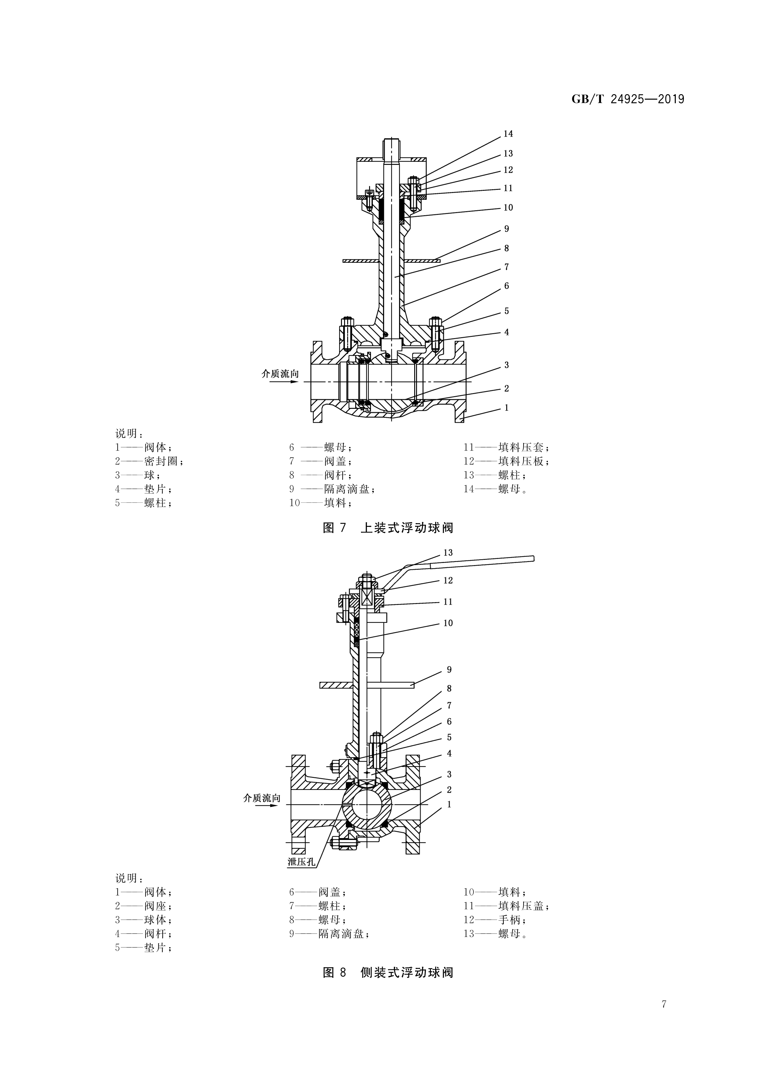
球阀的工作原理图(球阀内部构造图)-华光阀门有限公司
图片尺寸585x520
轴测图阀门#阀门图例#单线图学习 - 抖音
图片尺寸1440x2560
800x型压差旁通平衡阀工作原理
图片尺寸567x527
它的内部结构如下图:截止阀,又叫强制密闭式阀门,所谓的"强制"是指在
图片尺寸1376x858
双闸板闸阀之yy-z6wf4型结构图
图片尺寸958x1087
闸阀与球阀的结构和工作原理 - 哈喽哈喽111111 - 博客园
图片尺寸645x622