合成氨设备图

合成氨工艺原理,流程及发展趋势
图片尺寸400x253
合成氨行业气体分析解决方案
图片尺寸715x808
合成氨厂的一些设备
图片尺寸1536x2048
合成氨系列 - 陕西燎原净化设备有限公司
图片尺寸800x613
安全合成氨制造过程中的这些危险你知道多少
图片尺寸1280x764
合成氨厂的一些设备
图片尺寸2048x1536
新系统合成氨装置001.jpg
图片尺寸420x279
一种制备合成氨的装置及方法与流程
图片尺寸1000x815
【技术讲堂】合成氨装置
图片尺寸640x480
30万吨合成氨工艺流程模型
图片尺寸2592x1936
年产10万吨合成氨脱硫工艺设计
图片尺寸405x292
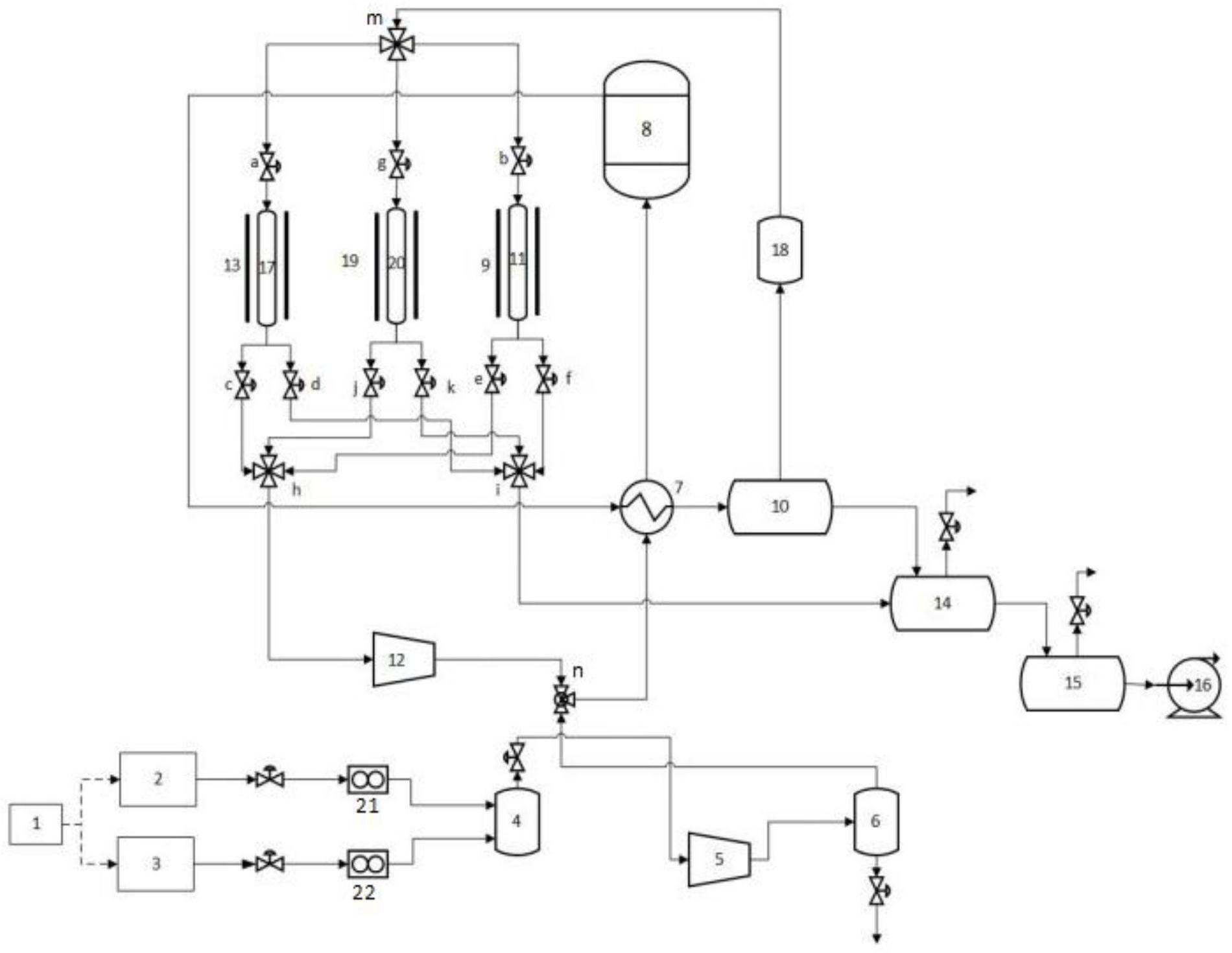
一种可再生能源合成氨的装置和方法
图片尺寸1900x1470
【技术讲堂】合成氨装置
图片尺寸640x480
中石化南化公司大化肥合成氨气化装置采用德士古8
图片尺寸893x395
第四代Ⅲjd型氨合成系统技术_湖南安淳高新技术有限公司官网网站
图片尺寸640x640
合成氨系统变换工艺的设计与优化
图片尺寸507x344
南京合成氨冷却联系电话
图片尺寸1216x820
氨合成工艺流程图cad图纸
图片尺寸865x595
环保系列产品-西安超滤环保科技股份有限公司|环保设备|油水分离|环保
图片尺寸705x406
合成氨工艺原理,流程及发展趋势
图片尺寸688x386