吊车线路图讲解

桥式吊钩起重机电气控制
图片尺寸1426x2200
单梁起重机电气原理
图片尺寸982x1032
03搜索5吨欧式起重机
图片尺寸715x550
桥式吊钩起重机电气控制
图片尺寸1476x1488
起重机电气安装ppt
图片尺寸1080x810
起重
图片尺寸861x1247
桥式起重机电路原理图
图片尺寸920x1302
吨吊车电路图纸
图片尺寸920x1302
某吊车电气cad设计详细控制原理图
图片尺寸610x861
高架起重机
图片尺寸479x343
小吊机好用!用的频率高了,就会出小问题,今天总算搞清楚接线原 - 抖音
图片尺寸541x647
桥式起重机电器控制线路的组成及特点 - 知乎
图片尺寸1063x738
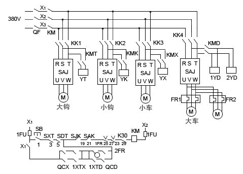
简单易制的桥式吊车控制电路
图片尺寸857x647
桥式起重机电器控制线路的组成及特点 - 知乎
图片尺寸995x762
控制电动单梁吊车控制电路
图片尺寸896x532
双梁桥式起重机电路原理图接线分析讲解
图片尺寸700x482
有的直接发过来,保证好评!
图片尺寸799x629
桥式起重机电器控制线路图
图片尺寸1336x955
吊车电气控制原理图
图片尺寸512x378
"04弄懂起重机大车控制回路原理图!
图片尺寸540x986