吧台平面图手绘

水吧方案与效果
图片尺寸1280x893
方案一吧台详图
图片尺寸913x713
1吧台.jpg
图片尺寸1000x707
吧台到底该怎样设计
图片尺寸1080x595
咖啡馆高低吧台设计,老房改造咖啡馆#咖啡馆设计#咖啡馆吧台设 - 抖音
图片尺寸1587x1123
吧台中间显眼处,是一处藏宝阁,摆放着dk珍藏的21款酒杯,酒杯姿态不一
图片尺寸2276x1016
吧台大样图
图片尺寸1600x1280
3吧台平面图
图片尺寸760x570
咖啡吧台从一张草图平面图到落地接待
图片尺寸1080x1079
吧台细节分享一
图片尺寸1080x1440
经典酒吧吧台设计平面图欣赏
图片尺寸1000x965
酒吧吧台设计功能和尺寸详细数据分享(一) 之前也有专门写过酒吧吧台
图片尺寸1001x1280
平面布置图interior design plan 以"大麦"概念转换的中央吧台区,并
图片尺寸2000x1216
某地酒吧吧台设计cad图纸
图片尺寸610x861
咖啡店吧台设计平面图,有什么做的不对的地方吗?
图片尺寸720x650
某吧台设计cad节点构造图纸
图片尺寸610x432
09吧台施工图
图片尺寸1131x800
某城市酒吧吧台结构布置cad参考详图
图片尺寸610x837
吧台设计手绘图片
图片尺寸1100x778
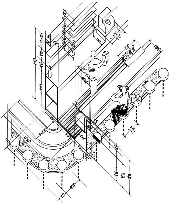
酒吧的吧台尺寸解析图英制单位设计参考图
图片尺寸564x682