启动加点动电路图

零基础电工教程:星三角启动电路详解
图片尺寸1150x738
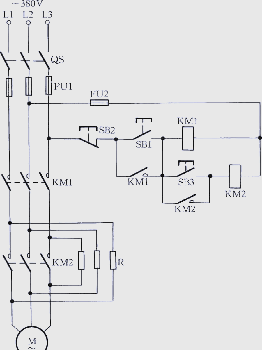
星三角降压启动控制电路图解
图片尺寸931x800
星三角降压启动控制回路故障现象与分析
图片尺寸1154x934
基于lm35的单片机温度采集显示系统
图片尺寸1080x821
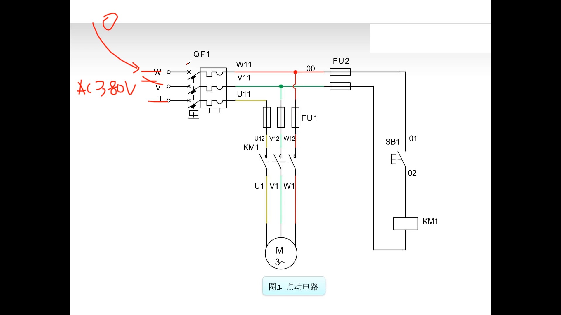
图1 点动电路
图片尺寸1920x1080
星三角降压启动电路
图片尺寸1080x1440
一看就会,动手就废!
#星三角降压启动 #电
图片尺寸632x1124
多种电动机降压启动电路图详解
图片尺寸900x1204
电工初学者:点动与连续运转控制电路详解
图片尺寸1159x777
三相异步电动机连续与点动混合控制1
图片尺寸610x857
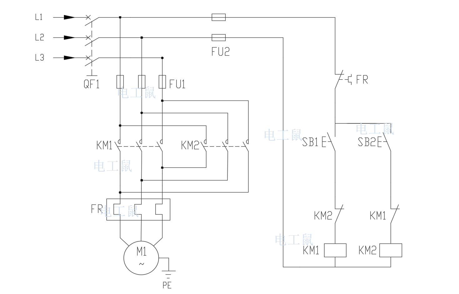
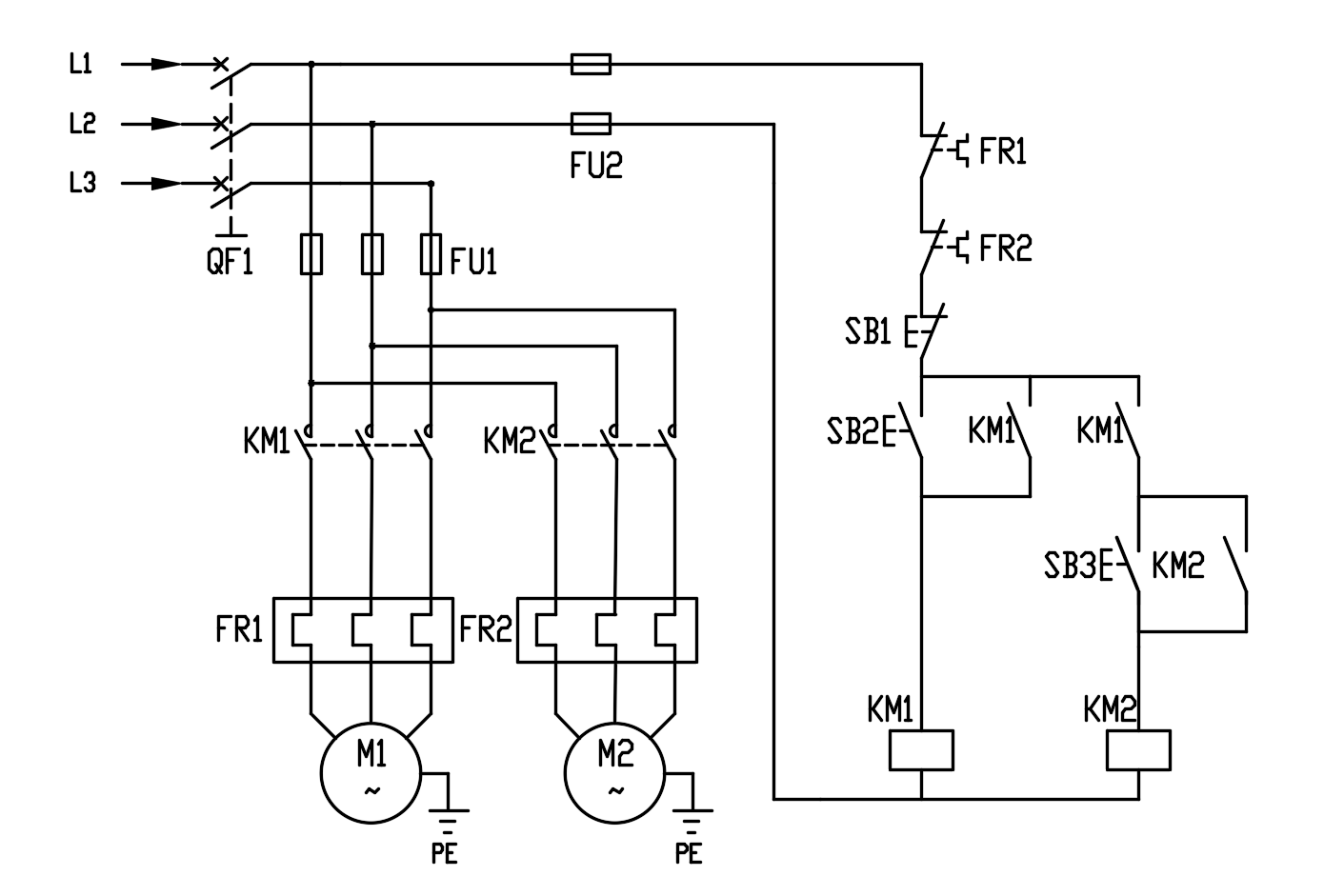
电动机顺序启动控制电路详解
图片尺寸1024x742
交流电动机启动
图片尺寸1170x810
电动机单方向运动带动点动的控制电路原理图
图片尺寸1080x607
这个电路用的少,为什么还要学 这个电路的功能是一键启停,这个电路在
图片尺寸1506x934
既能点动又能长期工作的控制线路
图片尺寸844x824
两个顺序启动电路 这两个电路其实各有优点和缺点 左边的电路,方便
图片尺寸1411x941
低压电工考试题.按钮1,按钮2那个是点动那个是连续运行,有人
图片尺寸1056x1248
星三角降压启动电路图,一个是手动控制,一个是自动电路#电工知识
图片尺寸3300x1944
所以呢,这个电路所实现的功能就是点动正反转
图片尺寸1469x941
点动控制电路接线图和电机自锁控制启动柜原理
图片尺寸720x822