启动系统的图片

门店师傅必看汽车启动系统故障分析
图片尺寸640x415
多操作系统的启动
图片尺寸916x517
涉水熄火救援维修大概多少钱车子涉水熄火第二天能启动吗
图片尺寸746x515
启动系统电源系统
图片尺寸640x491
电机的启动控制系统
图片尺寸1000x691
轻松看懂启动系统电路!
图片尺寸640x727
哈飞赛马轿车启动系统电路图
图片尺寸702x371
cn103644037a_大型燃气发电机组一键启动控制系统及控制方法有效
图片尺寸1000x482
win10,win8,win7你所不知道的系统启动秘密
图片尺寸500x274
轻松看懂启动系统电路!
图片尺寸640x428
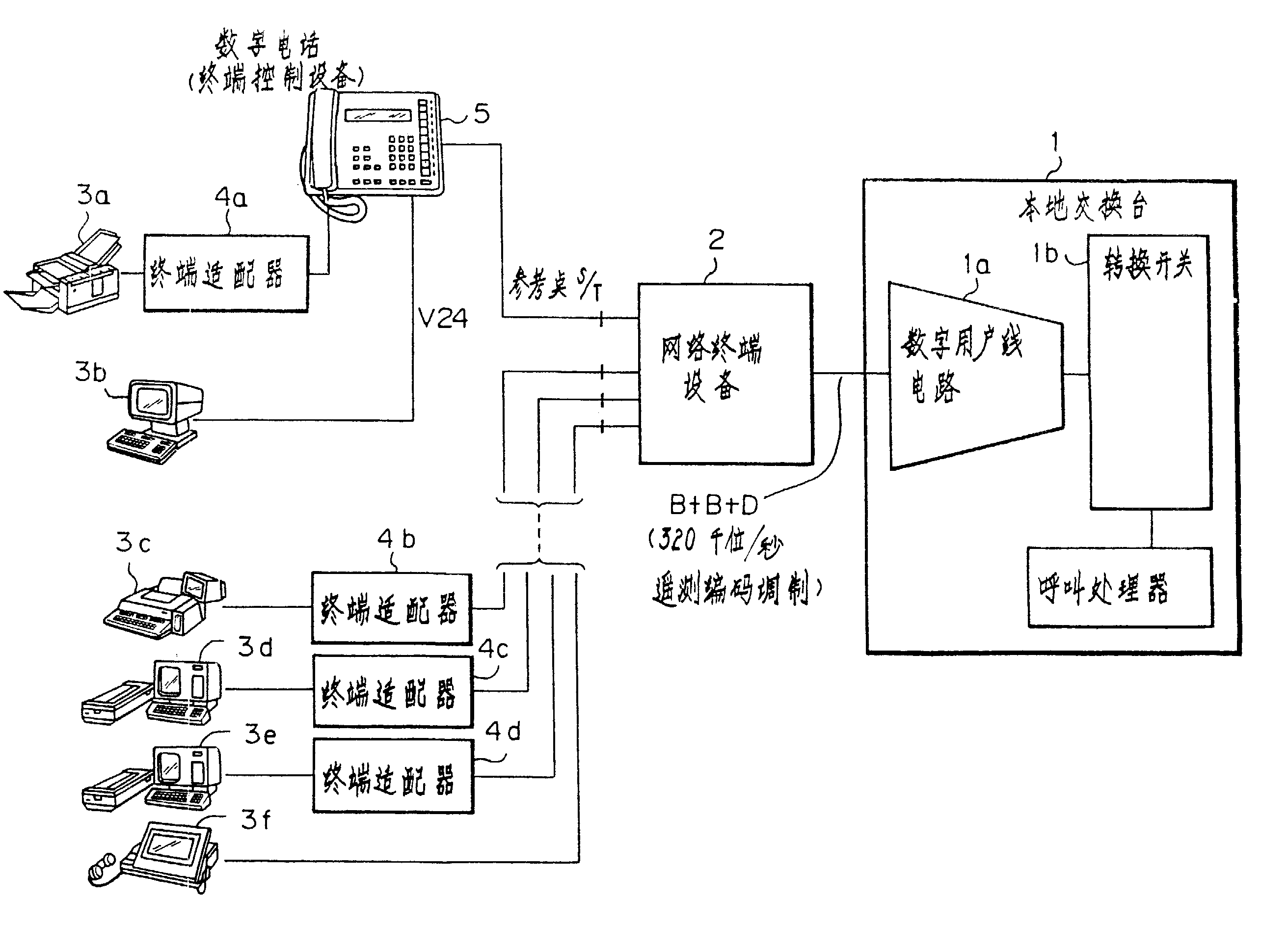
用于控制网络启动顺序的系统
图片尺寸2624x1888
linux系统运维学习笔记之系统的启动流程
图片尺寸700x307
先搜寻已安装启动器以选择欲执行启动器的系统及方法与流程
图片尺寸1000x719
汽车突然无法启动别慌大概它只是没电了
图片尺寸947x487
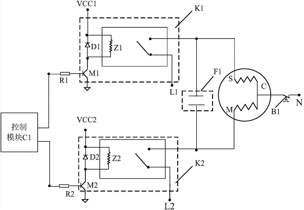
一种无钥匙启动系统的制作方法
图片尺寸510x471
继续更新: 电脑第四次重启: 当系统更新到100%以后,电脑重新启动,进入
图片尺寸977x600
在这篇文章中,我们将深入探讨unix系统管理的复杂性,包括系统启动和关
图片尺寸640x292
广本雅阁无钥匙启动为何变成了无法启动
图片尺寸727x295
linux系统裁剪(1)之linux系统启动流程
图片尺寸338x635
bios设置启动项的方法,让你轻松选择启动设备和系统
图片尺寸640x427