启动继电器电路图

18,零基础学电工-星三角自动减压起动电路(通电延时继电器)
图片尺寸624x834
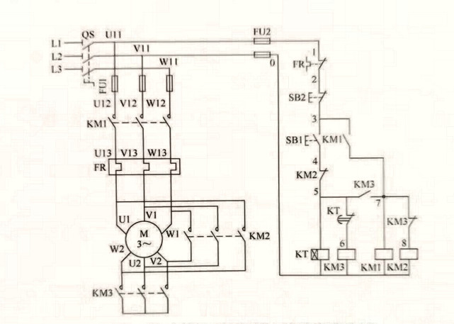
时间继电器自动控制星三角降压启动控制电路
图片尺寸647x536
18,零基础学电工-星三角自动减压起动电路(通电延时继电器)
图片尺寸640x796
启动继电器,电池到点火钥匙,点火钥匙到启动机的电路出现问题后才会用
图片尺寸349x293
中间继电器是电工电路中必不可少的元器件,它触 - 抖音
图片尺寸1080x1212
星三角降压启动时间继电器控制
图片尺寸641x457
有必要对启动继电器进行一下简要介绍: 在摩托车上,电启动系统电路如
图片尺寸640x460
桑塔纳点火系统电路图
图片尺寸935x757
单缸柴油机电启动接线图,问这种启动继电器接法可对?不要不会乱说呀.
图片尺寸600x419
启动继电器接线图
图片尺寸900x858
汽车的起动电路一般是通过电门钥匙的star档控制起动继电器,继电器再
图片尺寸448x440
时间继电器自动控制星三角降压启动控制电路
图片尺寸649x479
启动继电器接线图
图片尺寸450x265
现有一个电机,一个交流接触器,一个热保护,一个时间继电器,一个启停.
图片尺寸629x697
摩托车启动继电器的功能简介及结构,分类
图片尺寸700x317
12伏启动继电器怎么接
图片尺寸960x540
图4时间继电器自动控制的星三角降压启动
图片尺寸957x709
24v起动继电器接线图
图片尺寸404x260
用时间继电器控制电动机的降压启动线路连接时接触器总是无法自锁,是
图片尺寸520x752
时间继电器控制顺序启动,逆序停止-最常见电路-电工基础知识
图片尺寸967x539