启辉器电路图

cn2077625u_一种日光灯启辉器失效
图片尺寸1632x1184
本实用新型是一种日光灯启辉器,属于照明电路设计技术领域.
图片尺寸938x948
用日光灯启辉器做家用电器指示灯
图片尺寸644x574
日光灯全能电子启辉器
图片尺寸2240x1275
cn2236203y_全电子无触点低压快速启辉器失效
图片尺寸800x623
日光灯电子启辉器电路原理图
图片尺寸800x738
日光灯电子启辉器电路集锦
图片尺寸1017x652
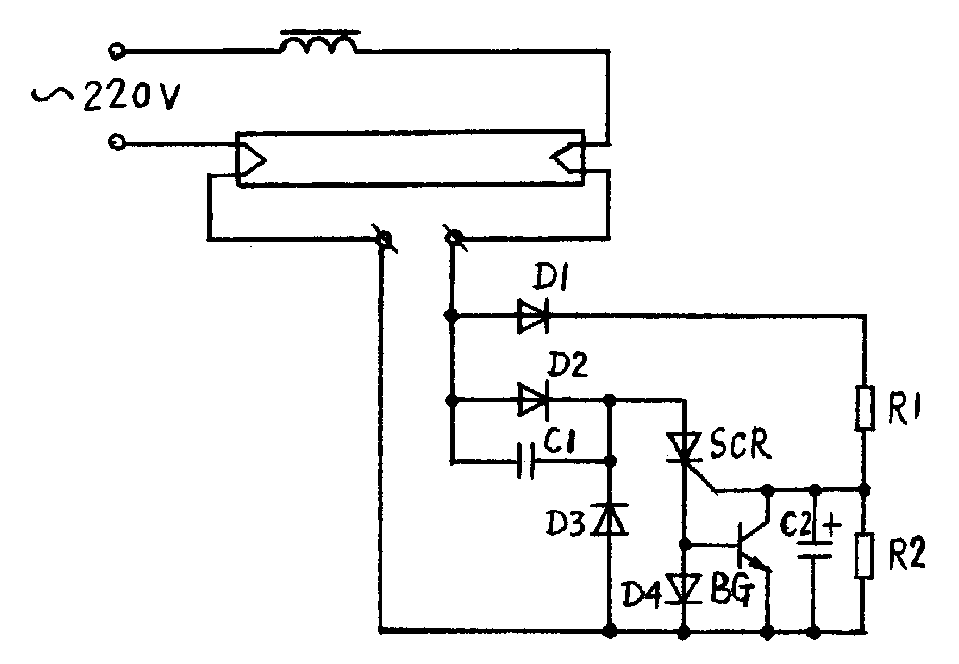
电子启辉器电原理图
图片尺寸648x682
本实用新型提供一种高性能电子快速启辉器,它由半桥整流电容升压电路
图片尺寸959x664
cn2083388u_日光灯节能启辉器失效
图片尺寸2048x1312
光控启辉器电路
图片尺寸1425x529
请教日光灯快速电子启辉器的制作
图片尺寸647x272
图中是电子启辉器电路,我想问一下c2,r3各自的作用是什么?
图片尺寸401x252
镇流器,启辉器,莹光灯的接法,有线路图最好
图片尺寸373x320
拆个电子启辉器
图片尺寸500x416
电路,具有很强的功能和很高的可靠性,且与传统的辉光开关启辉器完全
图片尺寸700x380
启辉器的内部结构
图片尺寸508x228
日光灯电子启辉器制作
图片尺寸597x418
原理说明 1,日光灯电路: 由灯管,启辉器和镇流器组成
图片尺寸1080x810
节能日光灯启辉器电路
图片尺寸436x345