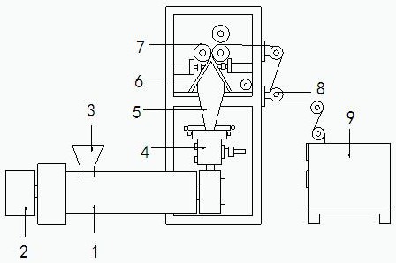
吹膜机 工作原理

二手吹膜机选购步骤: 1,检查机组安装工作否按要求安装检查各螺栓
图片尺寸950x569
工作流程介绍(简介)吹膜机是一种将塑料粒子加热融化吹成薄膜的设备
图片尺寸615x372
n310与吹膜机-无锡市康普瑞自动化设备有限公司
图片尺寸359x264
不吹牛只吹膜薄膜是如何吹出来的
图片尺寸640x486
一种便携式吹膜机-爱企查
图片尺寸733x800
一种塑料吹膜机
图片尺寸1854x1482
一种吹膜机入料装置-爱企查
图片尺寸2520x1119
具有改进吹膜装置的吹膜机-爱企查
图片尺寸2002x1149
一种环保的塑料膜吹膜机的制作方法
图片尺寸443x413
cn110877443b_一种薄膜加工用方便下料型吹膜机
图片尺寸448x298
吹膜机全自动双双工位恒张力收卷控制
图片尺寸981x538
一种药用包材吹膜机集中供料系统的制作方法
图片尺寸1681x906
回答pe吹膜机/pof吹膜机/pvc吹膜机价格和组成问题
图片尺寸612x578
一种吹膜机的制作方法
图片尺寸443x351
一种吹膜机_cn201921237723.8_知雀网
图片尺寸1000x877
一种吹膜机的制作方法
图片尺寸428x444
一种用于生产防锈膜的自动上料的吹膜机的制作方法
图片尺寸1000x602
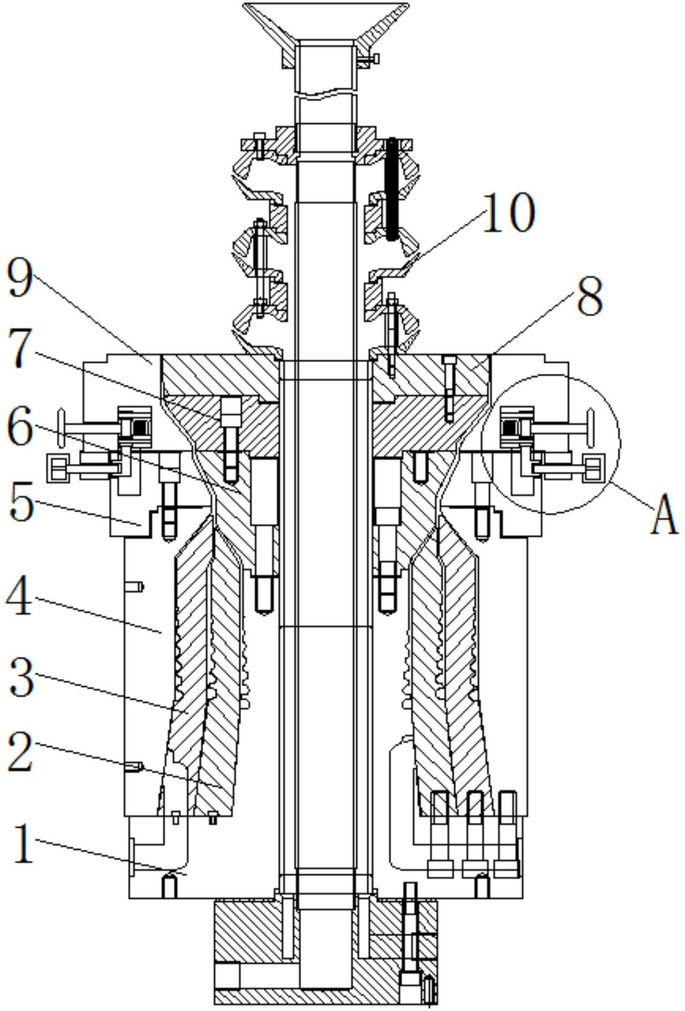
一种便于维修的吹膜机机组模头-爱企查
图片尺寸1355x1999
一种新型吹膜机的制作方法
图片尺寸1000x482
一种塑料生产吹膜机的制作方法
图片尺寸444x295