喇叭磁路

磁路.jpg
图片尺寸954x689
看到一张12寸钴磁喇叭的磁铁图借题讨论一下扬声器的磁路
图片尺寸1240x1651
微型动圈式受话器&喇叭的磁路 示意图(不合理设计)
图片尺寸1080x810
内磁式喇叭受外磁场干扰较小,磁路短,铁磁材料少,重量轻,但难以形成很
图片尺寸590x400
小型扬声器/微型喇叭磁路组件粘接用结构胶
图片尺寸462x352
扬声器viii磁路系统一
图片尺寸800x430
圆形磁路喇叭
图片尺寸600x450
超大磁路单体,超大分音器电感确保音乐重播品质
图片尺寸593x340
五星磁路思普喇叭 卡莱功放 db低音炮———打造发烧入门级享受
图片尺寸700x418
喇叭磁路 钕铁硼 高音_上海致圭磁业有限公司
图片尺寸810x595
强磁磁路高音中音低音磁回喇叭配件生产厂家
图片尺寸864x1152
莞音4寸双磁路蚕丝音膜球顶高音喇叭dh25msb-03喇叭定做
图片尺寸540x405
一种平板喇叭的径向平行面编组对称式磁路结构制造技术
图片尺寸797x1000
3寸全频喇叭橡胶纤维磁路粉磁钕磁超高密度喇叭
图片尺寸1440x1920
20芯加短路环喇叭u铁磁回磁路生产厂家
图片尺寸1024x765
观察上图磁隙中代表磁通密度的色彩可知,这个磁路设计的磁场是不对称
图片尺寸2100x1500
手机喇叭双磁路2415
图片尺寸500x585
0750,这款号称延续西电全音域扬声器传奇的喇叭,采用新的磁路系统
图片尺寸800x559
3寸全频喇叭橡胶纤维磁路粉磁钕磁超高密度喇叭
图片尺寸1920x1440
双磁内磁喇叭磁路结构,喇叭和液晶电视机-爱企查
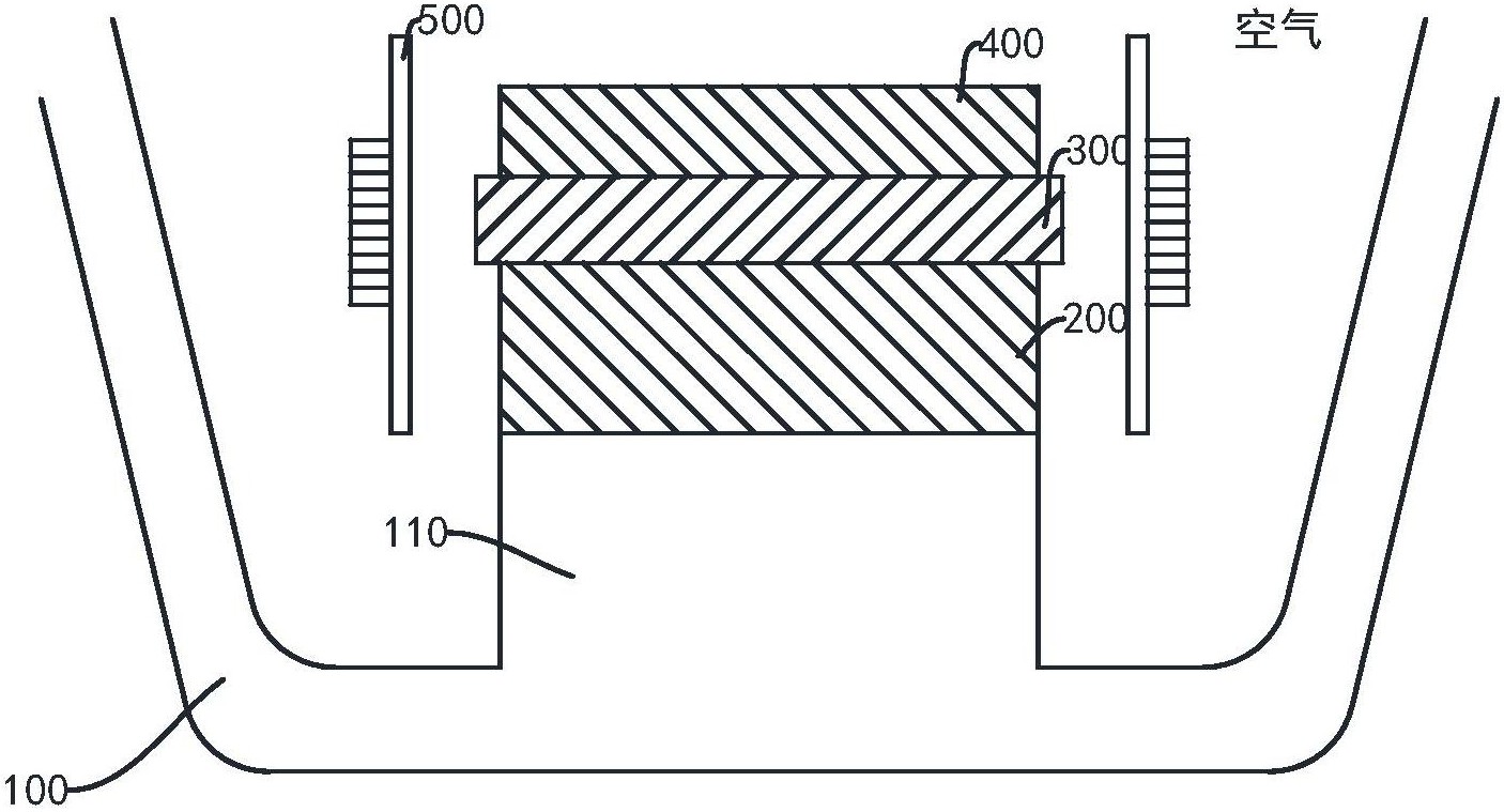
图片尺寸1406x759