回热循环ts图

回热循环ppt
图片尺寸1080x810
1第二课时《大气运动(热力环流与风)》ppt
图片尺寸1080x810
2014年二轮复习热力环流
图片尺寸1080x810
热力学
图片尺寸929x598
单级蒸汽压缩制冷的回热循环是怎样的
图片尺寸599x536
6热量循环图
图片尺寸1042x600
空气回热压缩制冷循环
图片尺寸668x369
「文献笔记」回热器中夹点问题的研究-超临界二氧化碳布雷顿循环
图片尺寸640x459
热力循环——回热
图片尺寸760x344
论文推荐燃煤sco2布雷顿循环及其工质传热特性研究进展
图片尺寸640x658
「论文推荐」燃煤sco2布雷顿循环及其工质传热特性研究进展
图片尺寸640x668
回热循环
图片尺寸787x683
回热循环
图片尺寸268x210
热水循环系统这样可以吗?
图片尺寸1440x809
燃气轮机化学回热循环热力学过程分析
图片尺寸1890x945
从电厂采用给水回热循环有什么意义?
图片尺寸366x246
再热—回热循环
图片尺寸1080x810
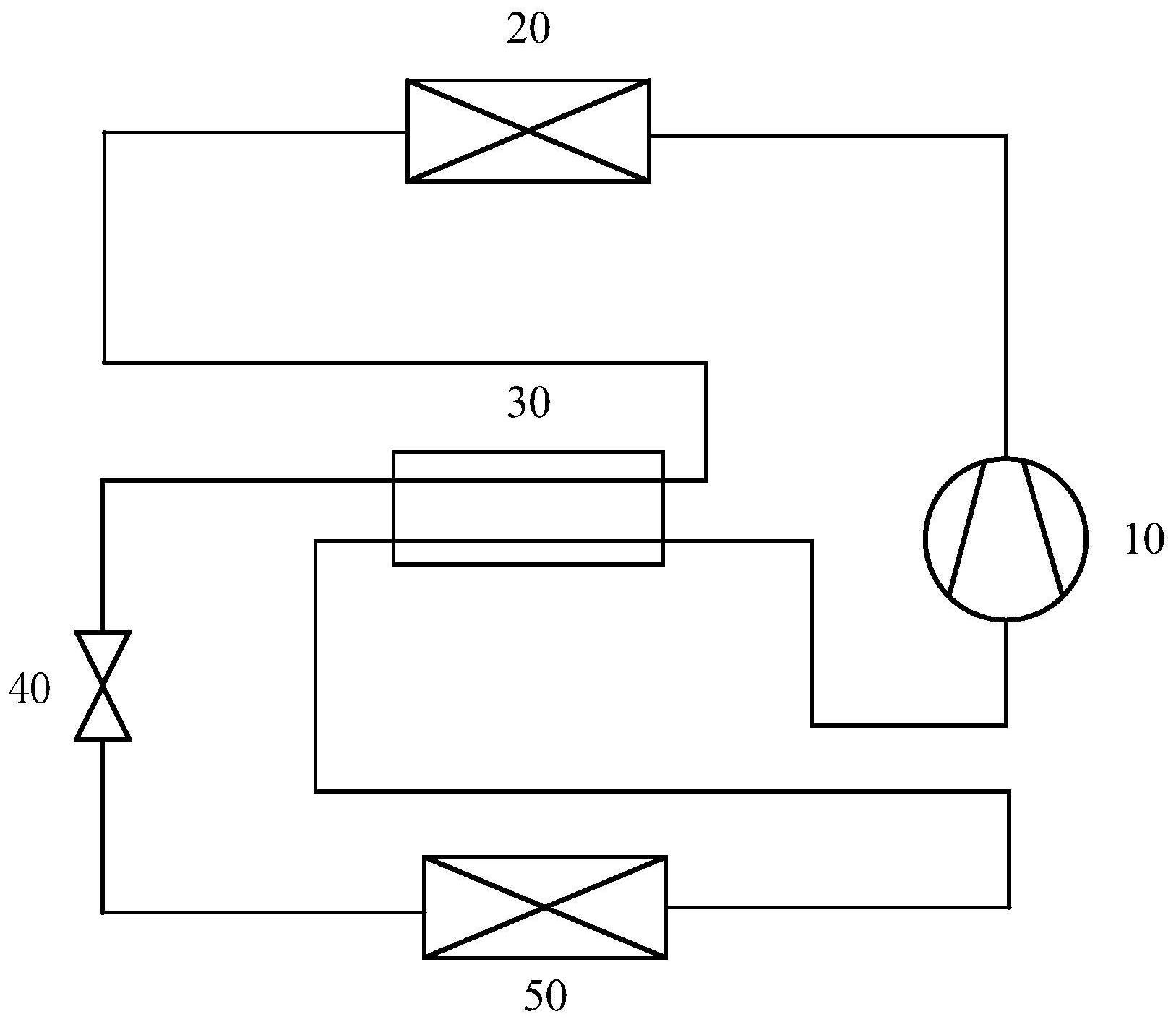
基于回热循环的热泵系统及节流元件控制方法-爱企查
图片尺寸1627x1414
多一田系列节能热水循环系统 回水器 深圳熙源环境设备有限公司
图片尺寸1000x700
热循环热水器,专家详述热循环热水器分析介绍
图片尺寸900x759