回转支承零件图

75.3150.03k 回转支承
图片尺寸1090x815
三排滚柱式回转支承13系列
图片尺寸555x420
560单排四点接触球式外齿回转支承/转盘
图片尺寸3321x2331
各种类型挖机用回转支承用图纸
图片尺寸699x483
回转支承 转盘轴承
图片尺寸370x263
什么是回转支承所有你需要的关于回转支承的知识
图片尺寸517x362
船用起重机回转支承结构形式及技术要求
图片尺寸767x518
无齿回转支承
图片尺寸820x580
011现货外齿回转支承小型转台转盘轴承大型机械设备专用回转支撑
图片尺寸1225x709
船用起重机回转支承结构形式及技术要求
图片尺寸798x573
inavlu系列轻型回转支承
图片尺寸678x510
回转支承选型计算
图片尺寸553x411
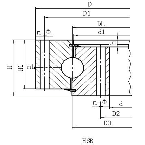
hs系列无齿型-回转支承
图片尺寸480x480
回转支承
图片尺寸689x461
常见回转支承结构组件
图片尺寸1080x1096
三排滚柱式回转支承(13系列)——外齿式
图片尺寸358x377
a1-回转支承组件
图片尺寸841x594
25.400内齿式小型四点接触球式回转支承驱动
图片尺寸1919x1347
挖掘机回转支承安装座有限元分析
图片尺寸1406x1950
双排球式回转支承02系列外齿式图
图片尺寸354x408