回转油缸结构图

一种油水分离式中实回转油缸
图片尺寸1000x855
旋转油缸的原理是什么,要图
图片尺寸891x599
一种旋转油缸
图片尺寸1383x956
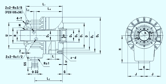
f0933h中空回转油缸,日本北川
图片尺寸592x382
掘进机液压回转油缸cad图
图片尺寸2338x1653
台湾通福(tonfou)高速中空回转油压缸rc-4图片大全,台湾千岛卡盘油缸
图片尺寸778x494
一种自动回油的自保压回转油缸的制作方法
图片尺寸1000x717
一种带有缓冲结构的中实气压回转缸
图片尺寸1925x1793
一种中实气压回转缸的制作方法
图片尺寸1000x870
台湾亿川高速中空回转油压缸m-1246
图片尺寸694x561
一种油水分离式中实回转油缸的制作方法
图片尺寸1000x474
新型液压卡盘回转液压缸部件设计
图片尺寸471x227
供应高速中空回转油缸
图片尺寸583x294
超薄型,重量轻:超薄外型构造,重量比传统回转缸轻,形体结构小型化在
图片尺寸450x205
液压油缸原理结构图讲解
图片尺寸565x297
第1页 (共2页,当前第1页) 你可能喜欢 液压缸设计手册 液压油缸设计
图片尺寸1083x671
派克parker油缸 油缸 液压缸 parker油缸 派克油缸 htr回转
图片尺寸765x959
20系列旋转式油缸
图片尺寸534x766
油缸结构图
图片尺寸900x639
油压超薄中空回转油缸中国台湾紘毅rcm
图片尺寸519x275