围墙地梁尺寸

公共围墙节点详图cad图纸
图片尺寸1396x1080
图片尺寸988x1289
🏛️中式围墙设计图集
图片尺寸1080x1410
园林古典围墙cad(古典园林围墙多高)
图片尺寸708x500
高手来指导一下,关于围墙柱的钢筋计算,会计算过程的高手来帮帮忙
图片尺寸583x800
社区围墙详图cad图纸
图片尺寸1516x1080
围墙详图cad图纸
图片尺寸1390x1080
一个围墙的结构施工图最后一张是围墙的施工范围吗平面图看不出来最后
图片尺寸1870x1302
请问一下,这种围墙脚手架高度,是从墙底开始还是从底板底开始,还是从
图片尺寸1135x1548
收藏!边坡设计标准图
图片尺寸1066x749
图片尺寸646x564
请问铁艺围墙这块可以用基础梁定义嘛
图片尺寸891x720
这图里标的三个围墙基础钢筋分别叫啥
图片尺寸884x761
按照这个大样,围墙应该在地梁上面砌筑吧
图片尺寸566x726
🧱砖围墙设计图集大全🌺
图片尺寸1080x1410
地梁设计图
图片尺寸1080x1440
圈梁与构造柱的加固指南 🏠
图片尺寸690x367
新中式围墙施工详图cad图纸
图片尺寸1528x1080
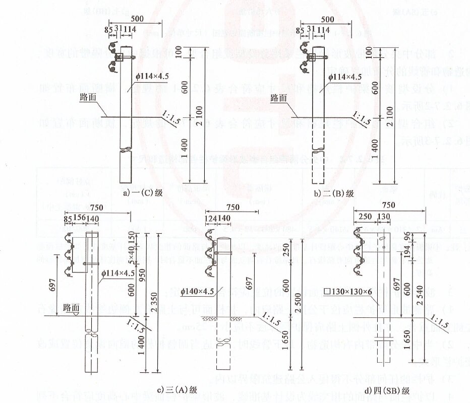
路侧波形梁护栏具体尺寸
图片尺寸932x800
这种围墙的柱子根数我是按他中心线间距36m算还是按他的进空32m间距算
图片尺寸829x468