圆形楼梯设计图纸

bim一级技能一级考试第一期第二题弧形楼梯
图片尺寸1655x1034
弧形实木楼梯cad图施工图下载
图片尺寸1600x1789
某弧形钢楼梯结构设计图
图片尺寸468x560
圆弧形楼梯是如何设计施工才能美观又节省空间
图片尺寸609x706
某别墅椭圆楼梯装修cad平面设计详图
图片尺寸477x329
圆形旋转楼梯施工节点详图施工图下载
图片尺寸1600x1124![[杭州]酒店圆形楼梯间装修图](https://i.ecywang.com/upload/1/img0.baidu.com/it/u=1707495426,3231623235&fm=253&fmt=auto&app=138&f=JPEG?w=500&h=375)
[杭州]酒店圆形楼梯间装修图
图片尺寸560x420
圆弧楼梯大样详图
图片尺寸368x308
圆形l形旋转梯楼半圆形旋转圆弧钢结构钢管混凝土楼梯cad施工图
图片尺寸750x750
钢结构消防楼梯_结构设计_土木在线
图片尺寸1440x1020
某弧形钢结构楼梯结构设计详图
图片尺寸1440x1020![[分享]大理石弧形楼梯的十四种款式](https://i.ecywang.com/upload/1/img1.baidu.com/it/u=1081788463,4143614929&fm=253&fmt=auto&app=138&f=JPEG?w=726&h=477)
[分享]大理石弧形楼梯的十四种款式
图片尺寸726x477
十五个弧形楼梯详细设计图(dwg格式)
图片尺寸1311x927
钢结构圆形楼梯详细cad设计施工图纸
图片尺寸610x861
钢结构圆形楼梯建筑详细cad设计施工图纸
图片尺寸478x417
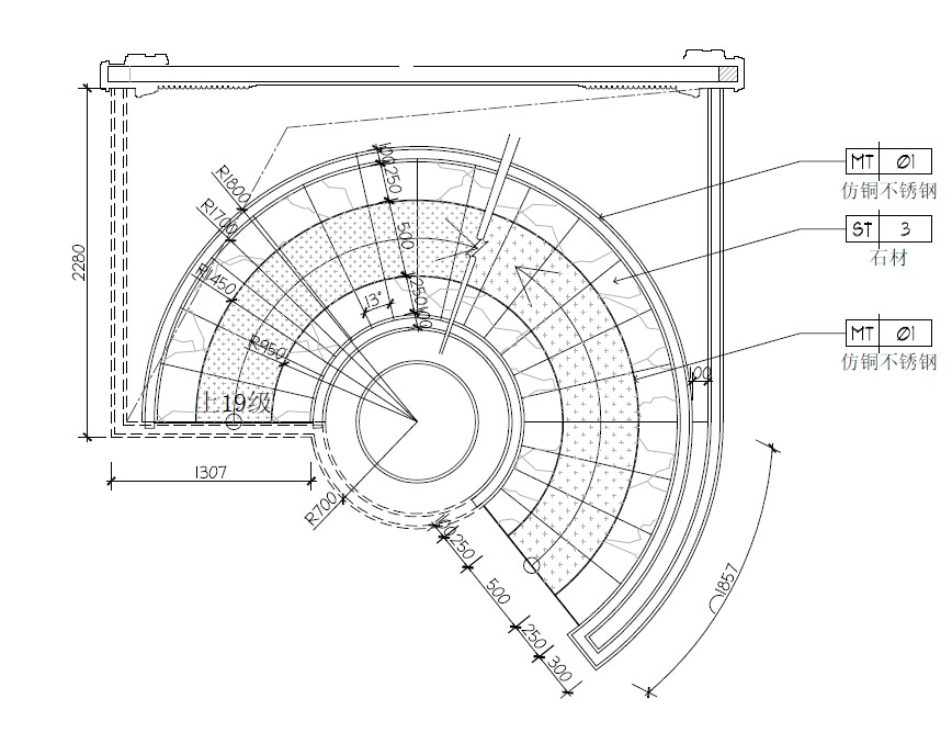
设计时要注意计算好弧度,台阶数量和台阶高度等数据,并做相关的图纸
图片尺寸868x678![[节点详图]某旋转楼梯结构设计方案图](https://i.ecywang.com/upload/1/img1.baidu.com/it/u=380719818,3085310035&fm=253&fmt=auto&app=138&f=JPEG?w=640&h=500)
[节点详图]某旋转楼梯结构设计方案图
图片尺寸703x549
某圆弧钢楼梯节点详图 共1张图纸.
图片尺寸560x424
椭圆楼梯装修详图免费下载 - 装修图纸 - 土木工程网
图片尺寸295x253
螺旋楼梯弧形楼梯旋转楼梯360度270度180度
图片尺寸1020x1440