圆柱度符号

形位公差符号 类 别 名 称 直线度 平面度 形 状 公 差 圆柱度 圆
图片尺寸686x1066
2013注册资产评估师考试《机电设备评估基础》预习:加工精度
图片尺寸454x374
公差类别 公差性质 真直度 真平度 (平面度) 真圆度 符号 公差类别
图片尺寸1080x810
机械图纸中表示失圆度的符号
图片尺寸500x273
直线度,平面度,圆度,圆柱度,你都知道吗.作为机加工老司机, - 抖音
图片尺寸1920x1440
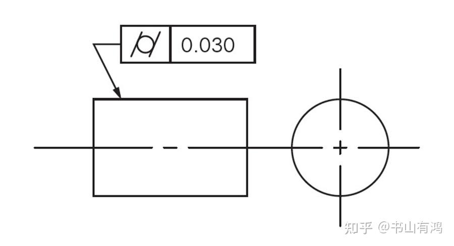
( 1) 40g6的圆柱度公差为0.03mm.
图片尺寸1080x810
黑白刻度圆柱图标矢量.
图片尺寸1100x1184
专业解读——平面度与面轮廓度的区别
图片尺寸614x378
直线度,平面度,圆度,圆柱度.这些形位公差你都了如指掌?
图片尺寸640x535
它们的符号是什么? 答
图片尺寸893x1146
4,圆柱度:符号为两斜线中间夹一圆(/○/),是限制实际圆柱面对理想
图片尺寸536x330
形状公差包括直线度,平面度,圆度,圆柱度,线轮廓度和面轮廓度.
图片尺寸688x950
在透明背景上隔离的圆柱矢量图标cylinde
图片尺寸700x700
圆柱度和对称度的符号怎样在word中打出来?
图片尺寸640x480
圆柱度符号边上加个三角形是什么意思.
图片尺寸600x450
形位公差符号详细介绍
图片尺寸808x385
2 形位公差的项目符号 有或无基 准要求 无 无 无 定 圆柱度 形 状 或
图片尺寸1080x810
或者最小实体:不适用是否可以带相对基准 :否圆柱度符号圆柱度符号
图片尺寸900x488
形位公差 - 圆柱度的标注
图片尺寸711x424
圆度公差 框格有两 个,分别 注明形状 公差的符 号和数 圆柱度公 值)
图片尺寸939x662