圆柱滚子轴承CAD

满装圆柱滚子轴承
图片尺寸1107x939
【技术】轧机用四列圆柱滚子轴承损坏形式及改进(原创)
图片尺寸553x417
ina 圆柱滚子轴承 sl182204
图片尺寸672x253
p>ntn 4r4811轴承,四列圆柱滚子轴承. /p>
图片尺寸528x352
nu248轴承是一款 a target="_blank" href="/item/圆柱滚子轴承
图片尺寸1799x1200
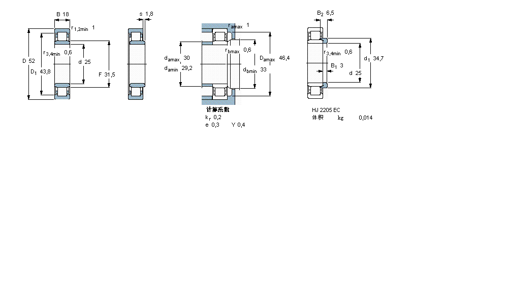
p>skf nu2205ecp轴承,是skf品牌,属圆柱滚子轴承,单列,nu设计系列.
图片尺寸1000x600
常用的单列深沟球轴承,单列圆柱滚子轴承,圆锥滚子轴承,推力角接触球
图片尺寸1080x1634
p>skf n2340m轴承是一种圆柱滚子轴承,主要用途是剥线机,加工中心
图片尺寸579x386
nn3020ktn9/sp轴承是skf品牌圆柱滚子系列的轴承
图片尺寸966x420
ina 滚针/推力圆柱滚子轴承 zarf3080-tv轴承
图片尺寸220x220
p>fag 89312-tv轴承是一款推力圆柱滚子轴承. /p>
图片尺寸230x230
p data-id="gn6qx6jw6a">skf c2206tn9轴承是carb圆环滚子轴承, 圆柱
图片尺寸780x340
p data-id="gn7f1uoom4">fag k81208-tv轴承是推力圆柱滚子系列轴承
图片尺寸230x229
回转工作台用交叉圆柱滚子轴承应用案例
图片尺寸698x510
p>iko nbxi1223z轴承是一款滚针推力滚子轴承,径向静态负荷: 23900.
图片尺寸381x137
ina 滚针/推力圆柱滚子轴承 zarf2068-l-tv
图片尺寸140x140
圆柱孔调心球轴承
图片尺寸591x551
圆柱滚子轴承nas5084uu图纸
图片尺寸250x83
fag pwkr52-2rs轴承
图片尺寸230x167
调心球轴承简化画法调心球轴承有圆柱孔和圆锥孔两种结构,保持架的
图片尺寸500x357