地面坡度

坡度的定义是指地面或道路的垂直高度与水平距离之比,通常以百分比或
图片尺寸640x411
请教一下,车库地面的坡度需要多长? - 知乎
图片尺寸1080x1737
影响最大爬坡度的主要因素有发动机的扭矩,轮胎与地面的附着力以及
图片尺寸548x470
坡度的定义是指地面或道路的垂直高度与水平距离之比,通常以百分比或
图片尺寸640x411
坡度的定义是指地面或道路的垂直高度与水平距离之比,通常以百分比或
图片尺寸640x411
卫生间的地面一定要有高低的坡度,坡度不易过大,过大行走不舒服,一定
图片尺寸588x435
5)卫生间地面流水坡度要控制在1%--3%坡度,保证污水及时排出.
图片尺寸640x442
安赛瑞 地贴警示标识(当心地面有坡度)安全提醒地贴标示 15776
图片尺寸800x800
0.1 各种场地的适用坡度(%)
图片尺寸615x307
300-500 (b)体育馆 设计视点与坡度的关系
图片尺寸1080x810
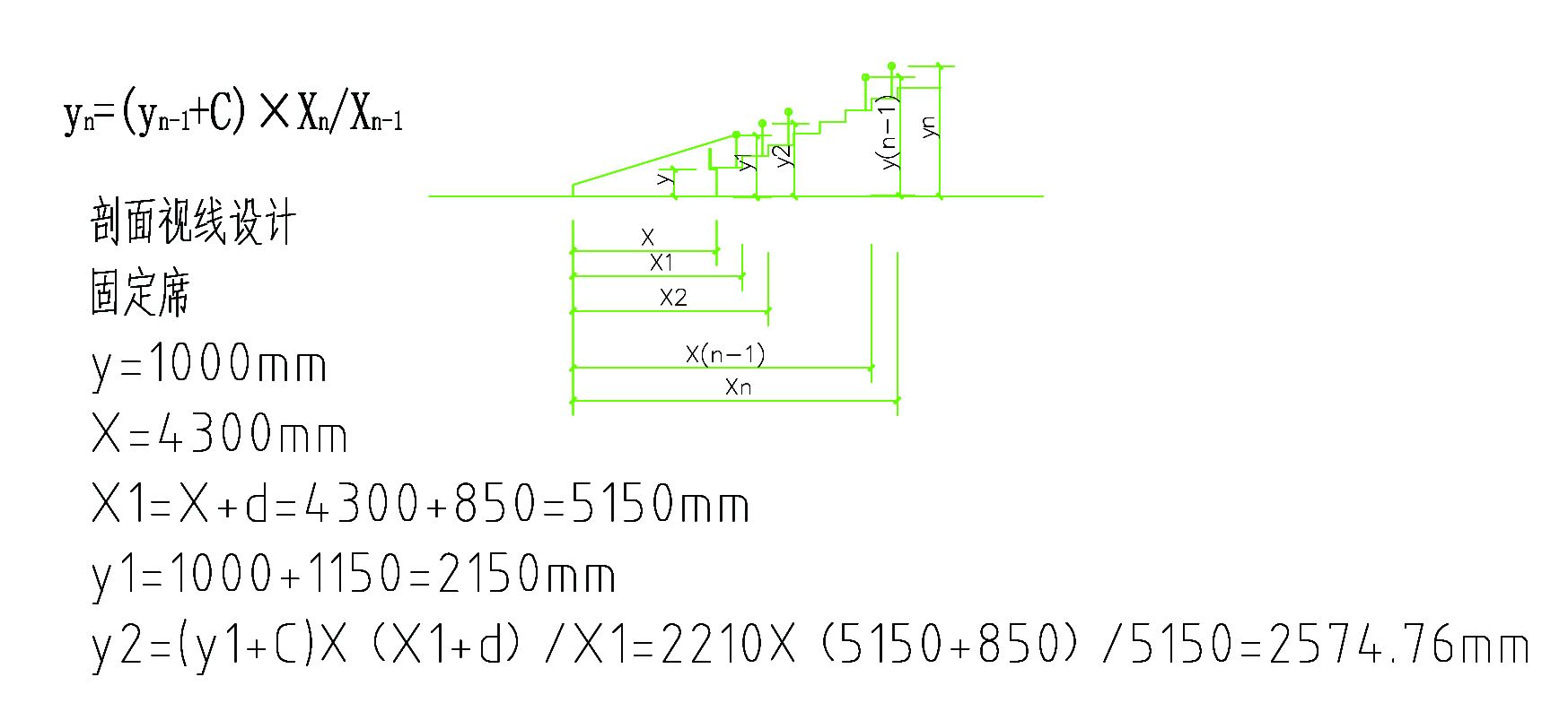
用excel表计算电影观众厅地面坡度 我需要一直算到y30的值~~求高手
图片尺寸1747x784
一层西侧排水管道坡度验收
图片尺寸4032x3024
坡度是指地面或其他物体表面的倾斜程度.
图片尺寸640x422
等高线地形图 一,地面高度的表示方法: 绝对高度(海拔) 相对高度 坡度
图片尺寸1080x810
图甲为坡面正午太阳高度角h坡与地面坡度β之间关系示意图图乙为我国
图片尺寸608x257
1, 厨房和卫生间的地面一定要有坡度,找施工队装修未必会帮你检查,最
图片尺寸1280x798
贴墙面瓷砖 7 地砖铺设坡度要高于国际标准才够好 卫生间地面的坡度要
图片尺寸575x283
可以直观地表示地面上沿某一方向地势的起伏和坡度的陡缓的是图
图片尺寸630x380
一个小球由地面沿着坡度 i 1: 2 的坡面向上前 进了10
图片尺寸1080x810
卫生间地面坡度验收,瓦工提前自检底气十足,1米距离高差1公分
图片尺寸1587x993