坡屋面 平面图

老师,这种坡屋面怎么绘制
图片尺寸1920x873
坡屋面的板和坡屋面是一样的吗?
图片尺寸943x1120
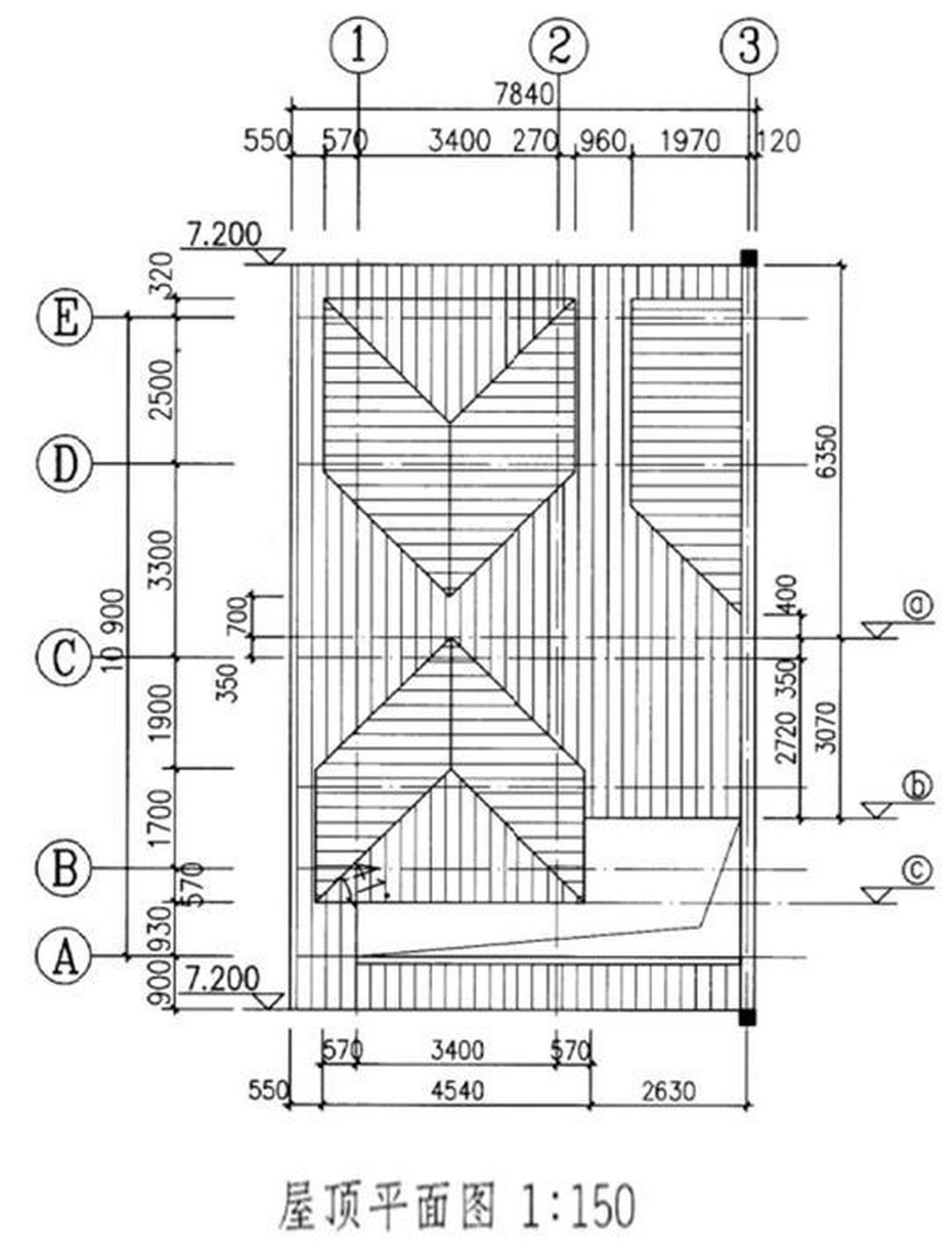
坡屋顶平面图.jpg
图片尺寸1500x1431
请问这种坡屋面的有梁板的支撑高度怎么计算?是7.1 0.3
图片尺寸1061x767
0.06,一层标高3.94,斜坡屋面顶标高5
图片尺寸1080x1440
根据所给某坡地住宅各层平面图及屋顶平面图,按指定的剖切线位置画出
图片尺寸1050x1387
两层半农村住宅,坡屋顶设计
图片尺寸1080x1528
坡屋面配筋图
图片尺寸736x890
老师,这种坡屋面怎么绘制
图片尺寸1920x873
落地窗三层坡屋顶自建房屋建筑设计图
图片尺寸1242x1660
老师们这种斜坡屋面怎么做
图片尺寸635x509
这个坡屋顶用计算面积吗
图片尺寸2560x1920
20层框剪结构住宅楼结构施工图坡屋面
图片尺寸1635x1118
坡屋顶设计的三大案例,灵感碰撞!
图片尺寸1200x570
像这种平面图怎么计算斜屋面的面积
图片尺寸1240x766
设计任务坡屋木顶结构设计已知:某砖混结构建筑平面图,屋面为檩式等坡
图片尺寸1050x894
坡屋顶构造详图cad图纸
图片尺寸1064x772
请问这个坡屋面算超高模板吗
图片尺寸983x708
请教斜屋面图纸问题圈起来的地方不是柱吧是什么意思
图片尺寸2048x1536
坡屋面檐高
图片尺寸1158x541