垫片型号 国标

gb5287 304不锈钢特大平垫圈 加大加厚金属圆形垫片m5-m24
图片尺寸750x882
304不锈钢平垫片加大加厚介子垫片金属螺丝垫圈m3m4m5m6m8m10m36
图片尺寸790x1350
*9*1标准编号gb97标准类型国标类别平垫圈型号1品牌玖源产品规格5*9*1
图片尺寸750x1152
紧固件 >gb93 弹簧垫片 当前所有型号规格?
图片尺寸790x1134
304不锈钢工字钢方斜垫圈平垫垫片
图片尺寸598x701
本色规格m3-m20标准编号din125标准类型国标类别平垫圈型号∮3-∮20
图片尺寸750x916
2-2002 大垫圈 c级相关产品→垫圈垫片
图片尺寸657x760
kwo/科沃 白色改性聚四氟乙烯垫片 54"(dn1350) class150 hg/t20627
图片尺寸800x2432
gb956锥形垫圈国标锁紧垫片65mn发黑漏斗外齿垫防松防滑锯齿垫圈
图片尺寸1056x1056
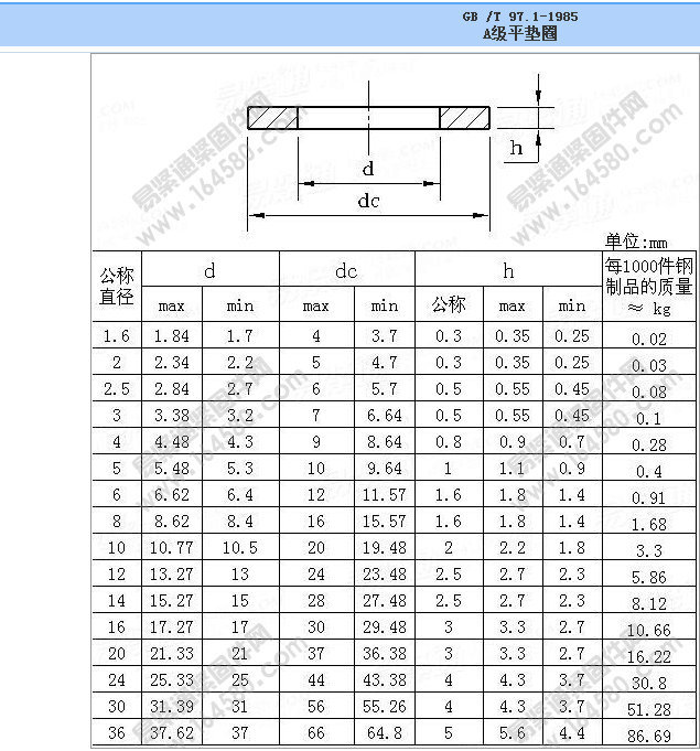
批量供应 加厚碳钢垫片 国标gb97.
图片尺寸635x681
加工定制四氟垫片 耐高温白色铁氟龙垫片 耐磨黑色聚四氟乙烯垫圈
图片尺寸790x698
gb97国标平垫发黑镀锌平面垫圈规格齐全
图片尺寸790x1035
内蒙古nord lock防松垫圈 254材质
图片尺寸622x945
304不锈钢垫片 弹簧垫圈 标准开口弹垫 国标平垫圈 gb93m3-m24
图片尺寸715x1035
304不锈钢弹垫 开口弹簧垫圈 弹性垫片 m2m3m4m5m6m8m10m12m14m16
图片尺寸750x999
厂家供应国标弹垫镀锌弹簧垫圈碳钢开口垫圈抗震防松垫片
图片尺寸1625x1920
型号 mφ10-mφ60 类别 止动垫圈 标准类型 国标 标准编号 多款
图片尺寸790x1000
厂家批发201不锈钢平垫 不锈钢平垫圈 不锈钢国标平垫片
图片尺寸750x1123
下面给大家列举缠绕垫片的国标尺寸,包括dn15,dn20,dn32,dn40,dn50
图片尺寸1009x699
高强度螺栓专用垫圈 jb /zq 4080-2006
图片尺寸731x660