基坑示意图

省道土方工程施工方案
图片尺寸1200x900
博硕课件基坑工程总体方案设计(192页)
图片尺寸760x483
式中a———为基坑顶的长;b———为基坑顶的宽;h———基础底高程与
图片尺寸1065x550
集水坑类型4(两个积水坑相连怎么处理)_电梯_张向荣_基坑
图片尺寸998x678
基坑开挖示意图
图片尺寸1500x813
关于基坑防护及降水须知的知识有哪些?
图片尺寸640x444
基坑开挖立面图
图片尺寸760x568
电梯基坑,吸水坑,集水坑节点构造详图
图片尺寸1440x1020
图1 基坑开挖与支撑示意图
图片尺寸640x342
基坑支护图片.docx
图片尺寸1594x2256
这种左边一个集水坑 右边三个电梯基坑的怎么做2.
图片尺寸336x233
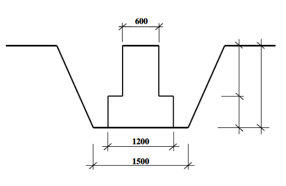
示意图如下问题1如果不预留工作面不考虑放坡试计算其基坑开挖工程量
图片尺寸560x365
基坑概况示意图
图片尺寸1080x606
基坑临边防护示意图
图片尺寸520x500
基坑工程的分类及方案选择看完这个你就会了
图片尺寸908x646
01丨挖基槽(地沟)
图片尺寸610x274
基坑工程的分类及方案选择看完这个你就会了
图片尺寸893x646
集水坑类型4(两个积水坑相连怎么处理)_电梯_张向荣_基坑
图片尺寸1080x513
深基坑开挖支护及降水施工方案(深井降水)
图片尺寸560x420
2024年一级建造师「市政」必考点之基坑支护与边坡防护篇
图片尺寸808x580