基坑详图

基础详图
图片尺寸2882x2971
电梯基坑,吸水坑,集水坑节点构造详图
图片尺寸1440x1020
电梯基坑
图片尺寸858x606
某砖砌大放脚条形基础1000节点构造详图
图片尺寸634x718
基础详图
图片尺寸947x560
电梯基坑识图问题
图片尺寸1393x603
某组合基坑支护方案节点构造详图
图片尺寸982x694
住宅楼工程基坑降水施工方案
图片尺寸812x529
基坑大样-服务新干线答疑解惑
图片尺寸1165x736
这种基坑怎么布置钢筋,老师能具体说说么.
图片尺寸746x440
钢筋混凝土条形基础详图
图片尺寸760x465
博硕课件基坑工程总体方案设计(192页)
图片尺寸760x483
关于基坑防护及降水须知的知识有哪些?
图片尺寸640x717
独立基础剖面配筋详图
图片尺寸645x514
深基坑施工时对邻近既有建筑的保护措施
图片尺寸1889x2024
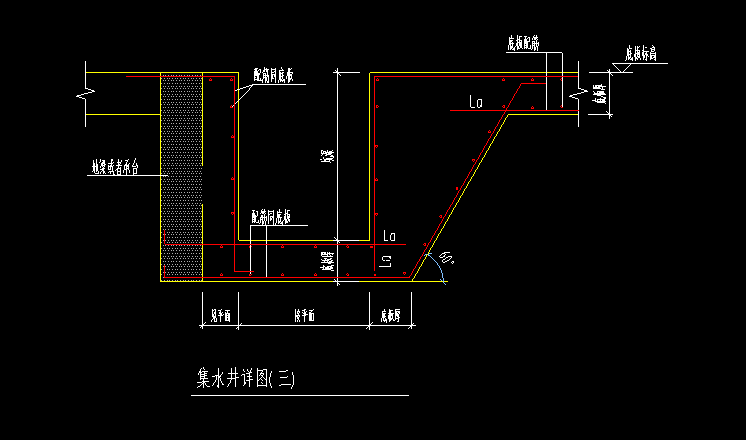
电梯基坑,吸水坑,集水坑节点构造详图
图片尺寸560x420
广州市某办公楼基坑设计
图片尺寸725x552![[南京]单层钢网架厂房结构施工图(2016)](https://i.ecywang.com/upload/1/img1.baidu.com/it/u=2401796506,2009190030&fm=253&fmt=auto&app=138&f=JPEG?w=707&h=500)
[南京]单层钢网架厂房结构施工图(2016)
图片尺寸1648x1165![[讲义总结]高层建筑深基坑支护技术vip](https://i.ecywang.com/upload/1/img1.baidu.com/it/u=717548030,3364215868&fm=253&fmt=auto&app=138&f=JPEG?w=560&h=420)
[讲义总结]高层建筑深基坑支护技术vip
图片尺寸560x420
某现浇独立基础节点构造详图(二)
图片尺寸713x681