塔吊线路图

塔吊起重电气原理图
图片尺寸615x861
qt-60-80型塔式起重机控制电路
图片尺寸746x1134
桥式吊钩起重机电气控制
图片尺寸1426x2200
塔机电路图
图片尺寸706x632
哥们你好帮忙给我发张塔吊电路图吧
图片尺寸3507x2480
徐工塔吊qtz125电路修理
图片尺寸640x451
塔吊塔式起重机主电路图
图片尺寸538x804
【知识篇】中联tc5510-6g塔吊电路与维修
图片尺寸1080x1520
塔吊电路图维修图解
图片尺寸1100x1550
【知识片】中联塔吊tc5510-6g电路原理图与维修
图片尺寸842x601
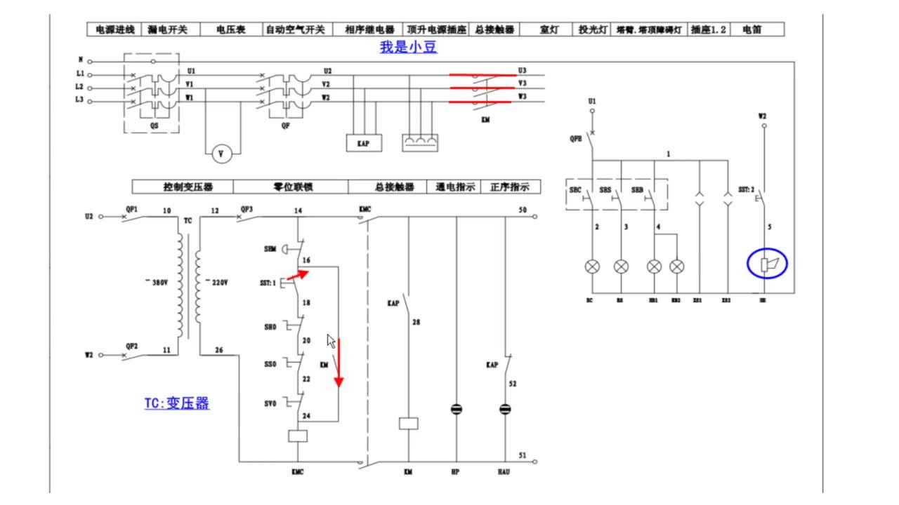
电工知识如何看懂电路图塔吊电路实物讲解原理分析
图片尺寸1280x720
塔吊电气控制线路原理说明
图片尺寸920x1302
走向总起电路图原件名称主线路部位总启动电路图由于各种机械设备的
图片尺寸1075x692
求一份40塔吊的控制线路图
图片尺寸1122x742
qt6080型塔式起重机主电路
图片尺寸802x1122
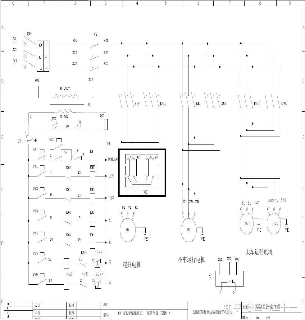
单梁起重机电气原理
图片尺寸982x1032
求大神,塔吊的原理求解
图片尺寸1282x1090
塔吊配电箱电路图
图片尺寸521x432
塔吊电气接线原理图
图片尺寸601x500
知识篇中联tc55106g塔吊电路与维修
图片尺寸640x901