塔吊plc控制线路图

塔吊配电箱电路图
图片尺寸521x432
塔吊起重电气原理图
图片尺寸615x861
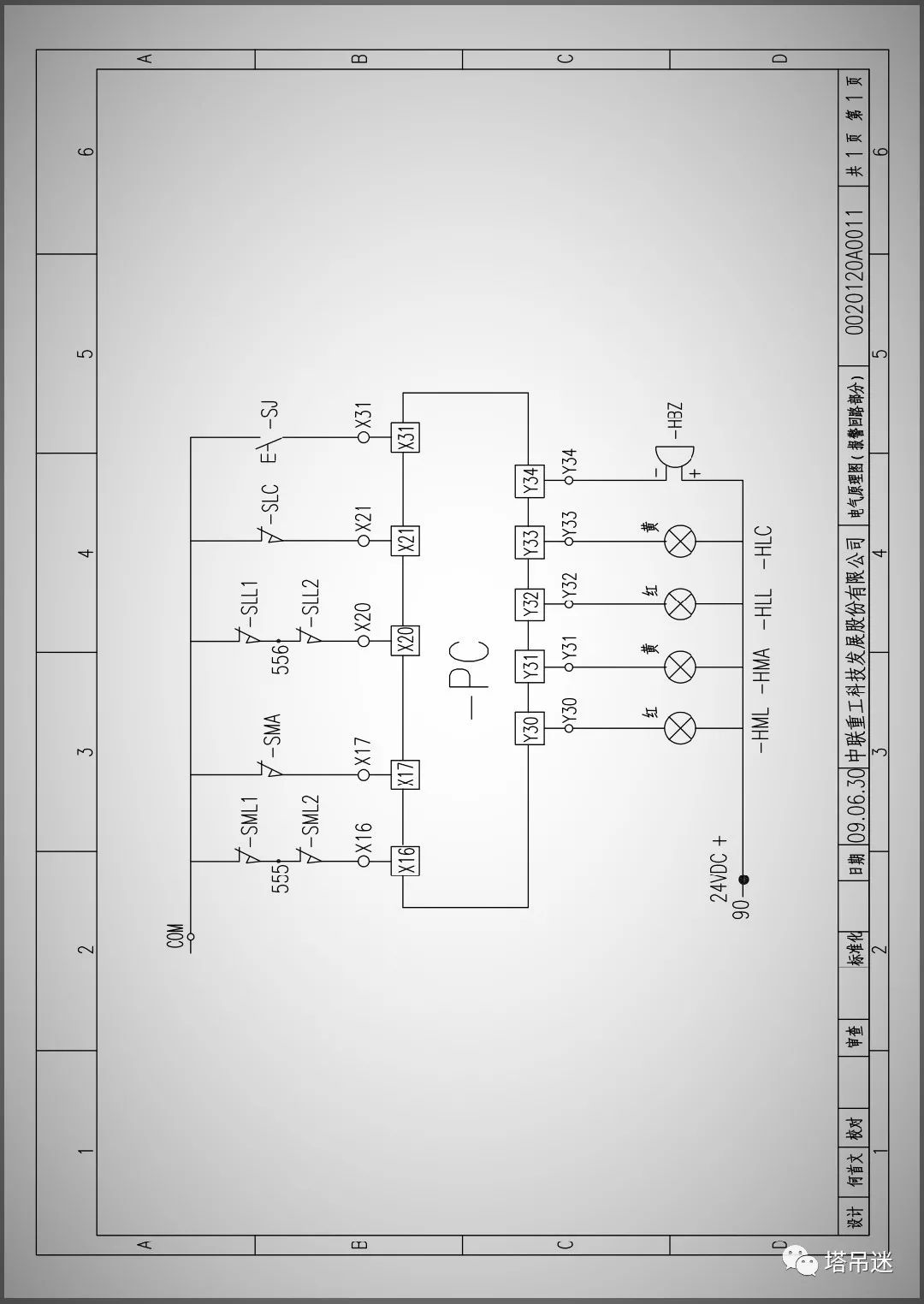
【知识篇】中联tc5510-6g塔吊电路与维修
图片尺寸1080x1520
求一份40塔吊的控制线路图
图片尺寸1122x742
plc在常用电气控制线路中的应用
图片尺寸633x516
plc控制原理图
图片尺寸1129x711
塔吊电气接线原理图
图片尺寸601x500
求大神,塔吊的原理求解
图片尺寸1282x1090
qt6080型塔式起重机主电路
图片尺寸802x1122
plc控制电机正反转原理图
图片尺寸610x611
塔吊塔式起重机主电路图
图片尺寸538x804
求普通塔吊完整电路图
图片尺寸2942x1435
塔机电路图
图片尺寸706x632
数控远程监控系统,包括监控主机,gprs模块,远程监控中心,plc通讯模块
图片尺寸1945x1830
plc控制两台电动机顺序启动电路
图片尺寸1025x1522
知识篇塔吊电路分析
图片尺寸709x534
详解塔机电气系统
图片尺寸809x560
塔吊系统图
图片尺寸599x387
【知识篇】中联tc5510-6g塔吊电路与维修
图片尺寸1080x1524
塔机电路解析_搜狐汽车_搜狐网
图片尺寸919x652