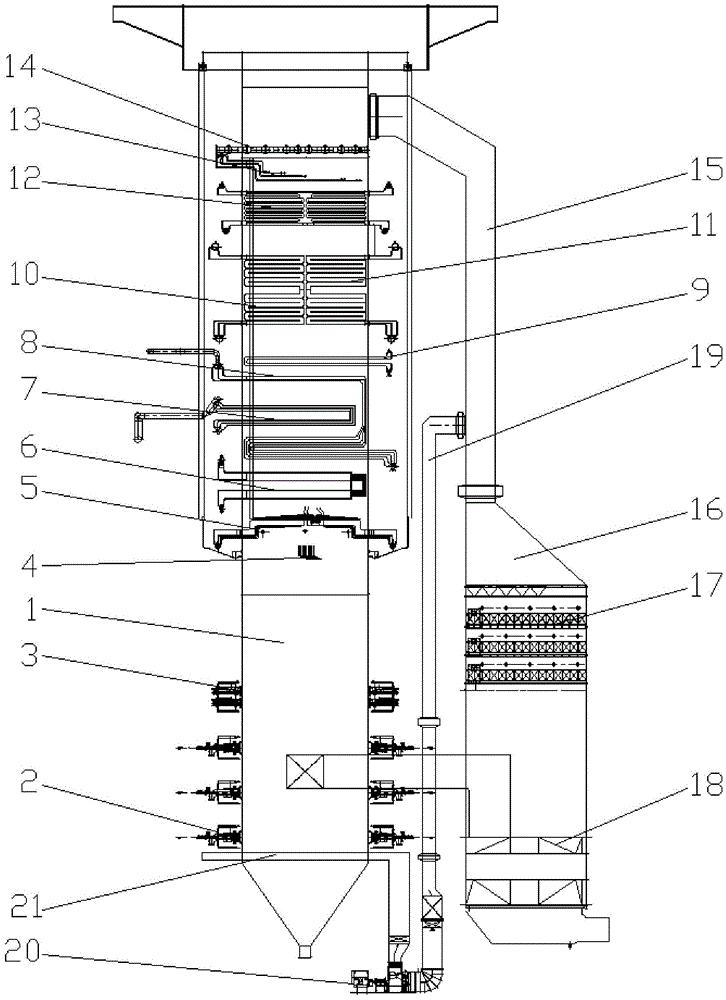
塔式锅炉结构图

二级再热器达到额定汽温的超超临界二次再热塔式锅炉的制作方法
图片尺寸542x883
沉降式塔式电站锅炉系统
图片尺寸917x1000
一种对冲塔式660mw二次再热锅炉
图片尺寸726x1000
锅炉总体介绍
图片尺寸1080x810
锅炉培训教材
图片尺寸1080x810
一种超超临界塔式锅炉高温受热面管壁温度测量系统的制作方法
图片尺寸800x703
锅炉的基本构造和工作过程
图片尺寸1153x827
塔式集中熔化保温一体炉
图片尺寸561x558
锅炉结构图
图片尺寸728x892
fsss系统(煤粉锅炉)
图片尺寸551x502
超临界二氧化碳塔式锅炉炉墙受热面布置结构的制作方法
图片尺寸882x1000
410th高塔式煤动力蒸汽炉主结构下载_锅炉图纸_机械图纸 - 机械5
图片尺寸325x436
一种塔式废锅结构气化炉制造技术
图片尺寸537x1000
cn106379810b_660mw机组塔式锅炉三器吊装方法有效
图片尺寸817x1000
cn100447484c_一种以超细煤粉为主的多种燃料混烧的工业锅炉有效
图片尺寸2752x1792
常用的锅炉结构(三)
图片尺寸500x576
锅炉概论ppt
图片尺寸1080x810
塔式生物质连续碳化炉制造技术
图片尺寸1000x757
一种具有塔式废锅结构的干粉加压气化炉的制作方法
图片尺寸538x1000
cwns系列锅炉结构示意图
图片尺寸935x687