备用电源接线图

ups备用电源的电池问题!
图片尺寸483x390
双路三相电源备用电源双电源自投电路讲解
图片尺寸660x553
三款备用电源电路图
图片尺寸726x445
双电源接线图
图片尺寸750x532
ups电源主机接线图实物接线样图一步到位
图片尺寸744x563
双路三相电源备用电源双电源自投电路讲解
图片尺寸654x476
分段母线备用电源的aat电路b-接线图网
图片尺寸810x1102
主电与备用电源自动切换开关怎么接线图解 - 酷爱电子网
图片尺寸1083x738
双电源自动切换装置主回路接线示意图
图片尺寸640x469
两路电源可互为备用.
图片尺寸685x595
这个简单的备用电源电路是否可行?
图片尺寸766x528
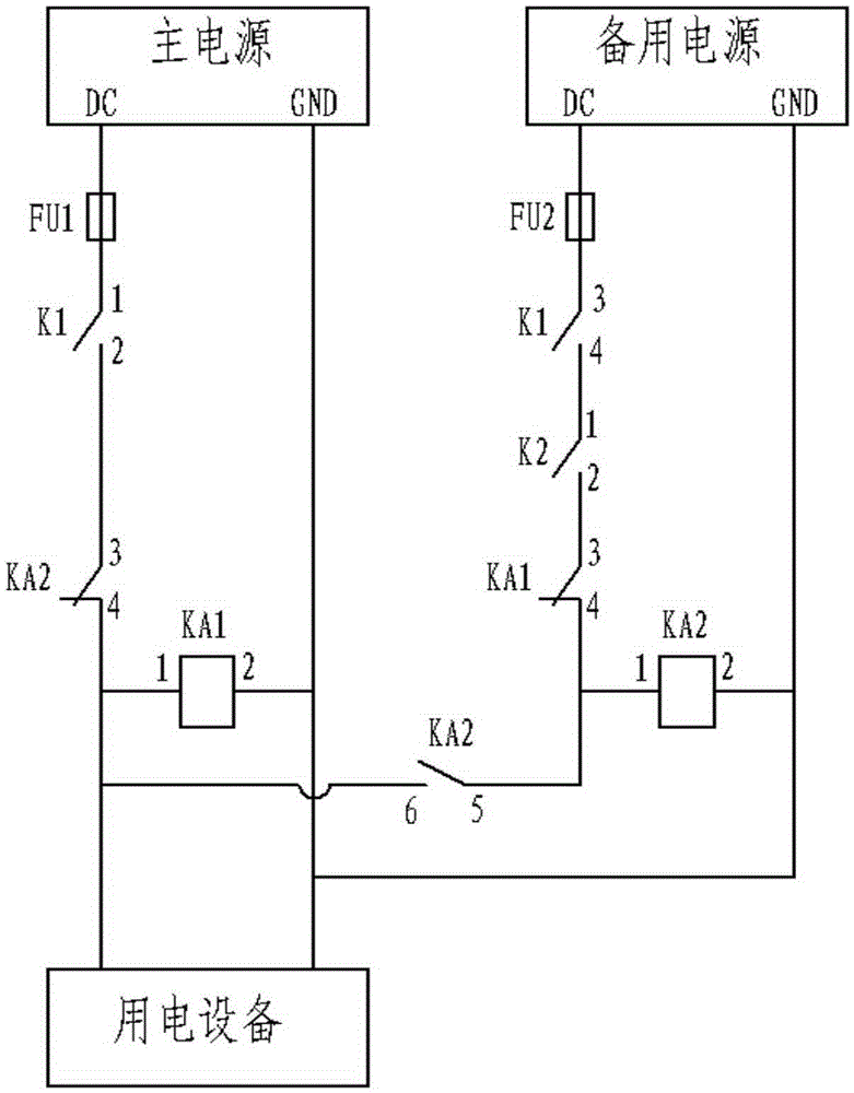
cn105990900a_备用电源控制电路及使用其的备用电源供应系统有效
图片尺寸1000x868
双电源接线图
图片尺寸750x1065
消防警铃后备电源 ups不间断备用电源验厂声光报警器220v
图片尺寸734x800
美国山特ups双电源输入电池中间有个n是接哪里
图片尺寸961x539
ups电源ups电池安装维护ups维修保养不间断电源价格
图片尺寸469x538
ups电源实物接线图,ups电源输出怎么接线?
图片尺寸513x348
单片机备用电源电路设计,平时是用市电供电,市电断电的情况下自动接上
图片尺寸684x533
备用电源自动投入装置(apd)
图片尺寸579x507
直流备用电源启动控制器
图片尺寸781x1000