夏利全车电路图

2014一汽夏利n5电路图
图片尺寸1190x890
夏利车电路原创
图片尺寸645x1024
2014一汽夏利n5电路图
图片尺寸1190x890
夏利2000轿车电路图
图片尺寸3712x5537
夏利tj7100tj7100u型轿车电路原理图
图片尺寸1000x827
夏利轿车全车线路电路图
图片尺寸700x588
夏利车电路原创
图片尺寸632x1024
另附一个夏利电路图可以看一下
图片尺寸645x1024
夏利2000全车电路图-qslnet.doc
图片尺寸792x1120
夏利2000全车电路图
图片尺寸621x821
全车电路图
图片尺寸1512x1997
n5全车电路图,用车友提供的图自己描高清图_夏利n5论坛_汽车之家论坛
图片尺寸700x383
夏利a 全车电路图
图片尺寸1170x880
夏利威志电路图
图片尺寸1077x808
n5全车电路图,用车友提供的图自己描高清图_夏利n5论坛_汽车之家论坛
图片尺寸700x1018
夏利a 全车电路图
图片尺寸1170x880
10-04夏利轿车电路原理图
图片尺寸459x921
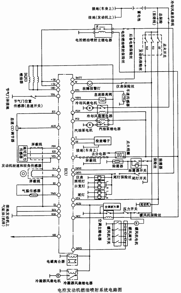
夏利2000发动机电路图二
图片尺寸563x769
夏利车电路原创
图片尺寸700x438
天津夏利7100电路图
图片尺寸1000x648