大车电路图讲解

吉利电路图识读方法.纯电动汽车电路图识读,电路图吉利
图片尺寸1080x1440
汽车电路图全面解析:从图形符号到线路识别
图片尺寸1080x1245
款奔驰w210整车电路图手册
图片尺寸1860x2631
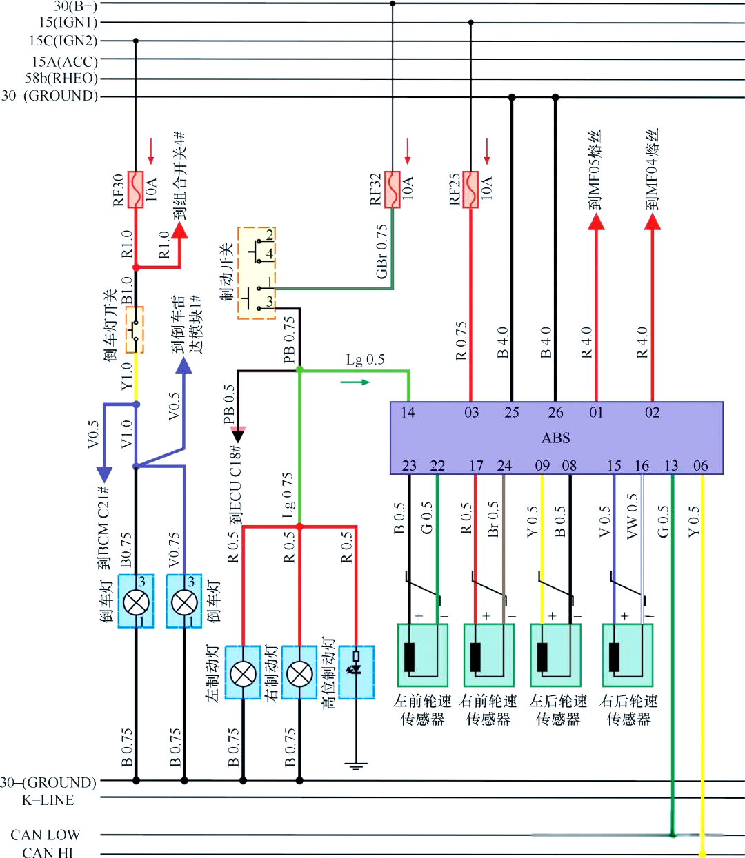
帕萨特b5汽车电路图
图片尺寸920x1302
大众汽车电路图的特点与识读方法
图片尺寸1080x1481
北汽威旺s50电路图
图片尺寸2040x1516
💡大车变频器主回路电气原理图分享
图片尺寸1052x1920
东风雪铁龙世嘉at全车电路图
图片尺寸1240x1754
汽车起动机的工作原理与电路图详解
图片尺寸1080x1749
💥汽车电气系统解析💥
图片尺寸1080x1920
2009年东风雪铁龙世嘉2 0at全车电路图内照明
图片尺寸1240x1754
广东福迪皮卡电路图
图片尺寸1536x1919
汽车起动机的工作原理与电路图详解
图片尺寸1080x890
🚗汽车电路图入门难度解析🔧
图片尺寸1440x1050
l-3型卧式车床电路运行原理
图片尺寸1292x707
东风天龙旗舰 国六整车电路图
图片尺寸1080x810
新手篇—轻松看懂汽车电路图
图片尺寸1626x2159
2015年瑞虎5启动电路图
图片尺寸598x597
丰田卡罗拉启动系统电路图分析
图片尺寸1080x1920
图片尺寸1268x894