大4d接口图解

电脑电源接口详解图解资料doc
图片尺寸860x1216
附图车辆obd接口定义
图片尺寸400x332
dvi线支持多少分辨率_dvi接口有哪几种_dvi支持最大分辨率
图片尺寸584x575
4芯航空母头接口定义图
图片尺寸1321x423
脑壳痛风扇大4d接口到底插哪的啊
图片尺寸2016x1508
显卡上面4d转6pin怎么接电源上的口
图片尺寸591x446
家具品牌divano,谛凡喏推出divano功能沙发以及蒙特维真4d动感沙发,为
图片尺寸650x430
6 2p的显卡供电接口x2,5个sata的供电接口和3个大4d接口,此外还有一个
图片尺寸6000x4000
jzcet电脑机箱电源线大4d电源线大4d取电线大4d一分二大4d延长线
图片尺寸592x510
nxppca8538汽车102x9段玻璃覆晶coglcd驱动解决方案
图片尺寸680x661
各种接口标准图解大全
图片尺寸920x1302
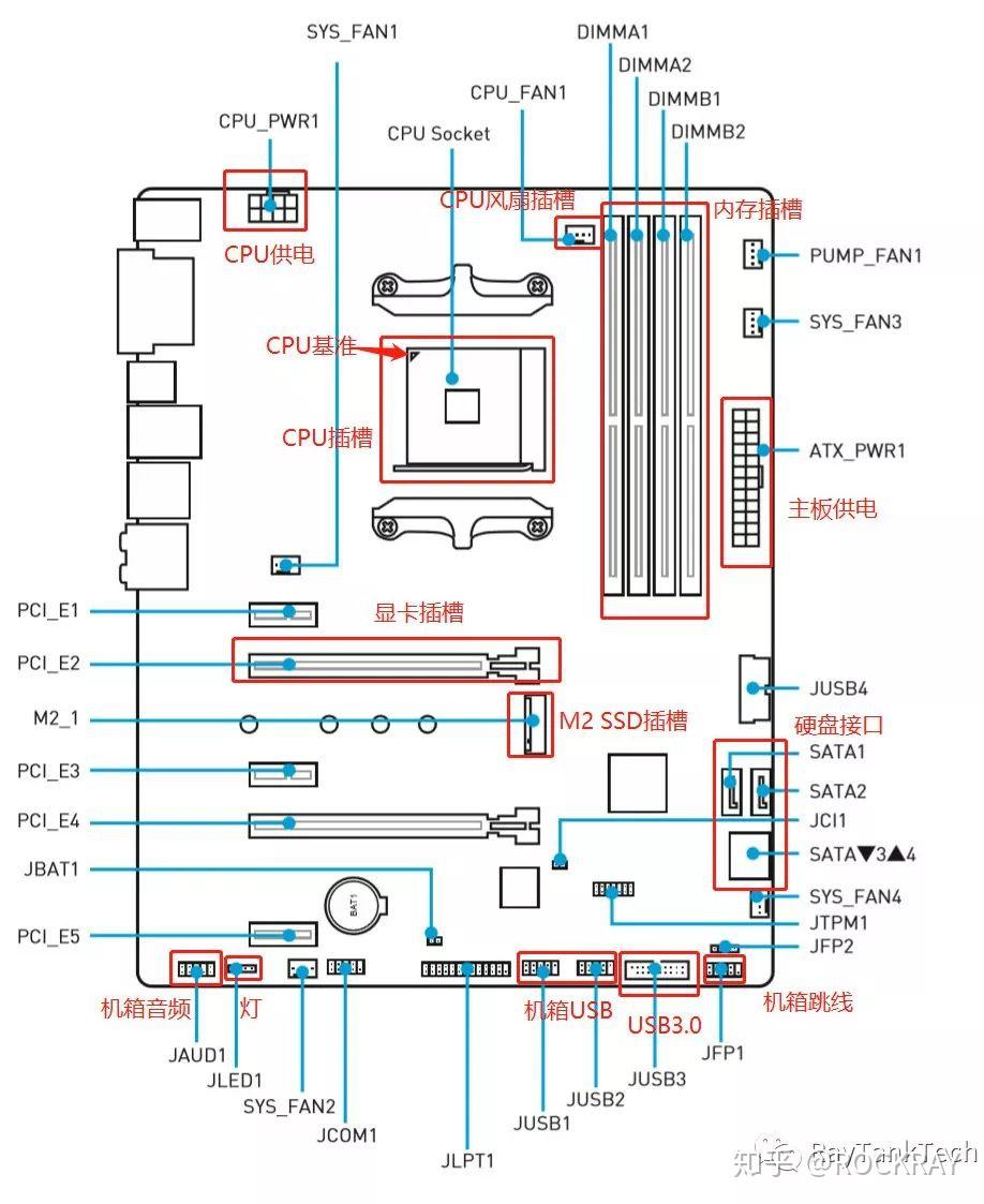
intel对应主板和amd对应主板接口名称有差别,具体请参考各自主板说明
图片尺寸918x1123
4d 成像毫米波雷达:新型传感器助力自动驾驶
图片尺寸1144x700
dvi-i接口端子定义见附图.
图片尺寸720x396
创维电视75a4d pro:画质与性能的完美结合
图片尺寸1440x1080
ds-7316hgh-sh4d 海康威视16路同轴高清xvr硬盘录像机
图片尺寸800x799
电脑atx电源接口定义详解
图片尺寸860x1216
ds-7316hgh-sh4d 海康威视16路同轴高清xvr硬盘录像机
图片尺寸800x709
cpu供电线,4根6 2pin pcie供电线以及8个sata供电接口和4个大4d接口
图片尺寸1866x1139
39a 12025 12cm无震动散热风扇 2线电源大4d接口
图片尺寸800x800