天线电路图

手机接收机的功能电路1天线低噪放混频器
图片尺寸660x345
汽车扫描天线
图片尺寸2747x1735
最简单的fm天线放大电路乐廷t60收音机抄下来的
图片尺寸1063x704
简单的天线放大器电路图
图片尺寸640x484
收音机调频天线放大器电路
图片尺寸1860x2631
双级天线放大电路 : 455khz选频放大
图片尺寸1920x1080
深圳华信天线技术 - 哔哩哔哩
图片尺寸932x662
双级天线放大电路 : 455khz选频放大
图片尺寸1920x1080
一款简单而有效的短波天线放大器电路
图片尺寸600x382
一款简单而有效的短波天线放大器电路
图片尺寸600x382
大众202ad遥控器主板天线电路图.#专业维修 #汽车钥匙维 - 抖音
图片尺寸1080x1920
315mhz无线射频发射电路
图片尺寸1754x2479
低功率天线调谐器
图片尺寸792x704
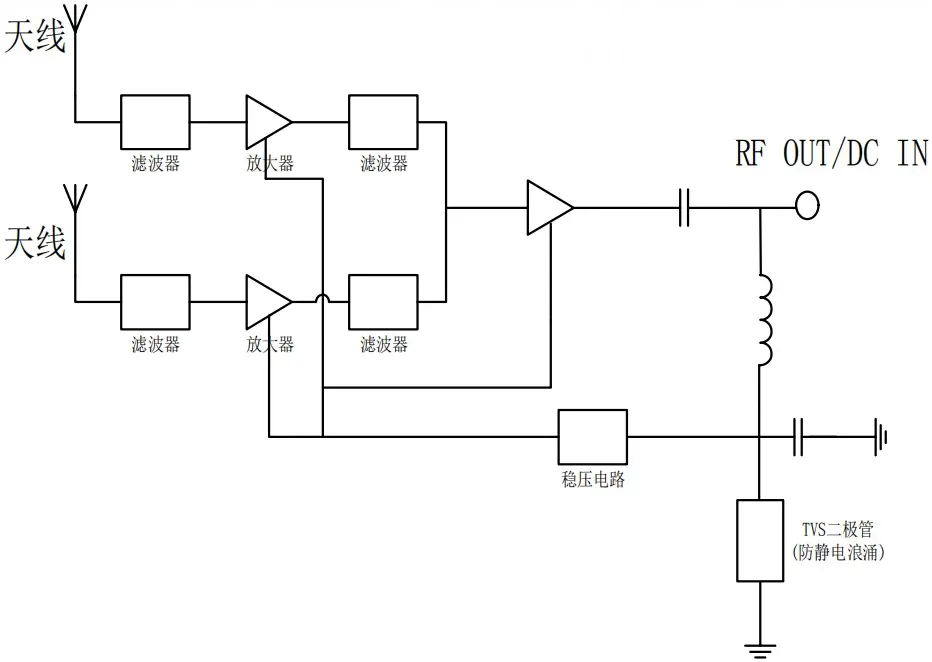
一种内置天线和外置天线自由切换电路
图片尺寸1933x926
改进型托勒斯全频道天线放大电路图
图片尺寸1873x921
一种正交极化的阵列天线开关电路的制作方法
图片尺寸2017x1307
甚低频60千赫天线/前置放大器
图片尺寸1184x760
fm天线放大电路请教
图片尺寸568x390
准备设计一个fm天线放大器,请大家帮助提供最优的电路
图片尺寸1200x1040
电动天线电路图1
图片尺寸1280x1024