天车卷筒组结构图

新乡双梁小车卷筒|天车卷筒组厂家|500-800双联轴器卷筒
图片尺寸750x556
5001800带大齿轮式钢板卷制卷筒抓斗用卷筒组起重机天车滚筒
图片尺寸802x535
d500卷筒组部件图
图片尺寸820x544
起重机卷筒组φ500x1200总图
图片尺寸820x677
起重机短轴式卷筒 行车卷筒组 卷筒 双梁卷筒组 起卷筒组
图片尺寸750x591
1010t起升机构用卷筒装配图纸
图片尺寸820x574
卷筒组二维总图
图片尺寸820x557
起重机卷筒组型号大全 φ300x1500卷筒组图纸 起升开闭钢丝绳卷筒
图片尺寸800x574
一种卷筒结构的制作方法
图片尺寸1000x669
起升机构和变幅机构卷筒体内无贯通支承轴的结构时,简体宜采用钢材
图片尺寸750x533
125125t起升卷筒装配图纸
图片尺寸820x576
d500卷筒组部件图
图片尺寸820x591
a2-5-卷筒组.dwg
图片尺寸1200x800
专业供应Φ500*1500起重配件 铸钢卷筒组/钢包卷筒组 全国三包
图片尺寸1109x766
吊钩式起重机卷筒组cad机械图图片
图片尺寸1024x737
卷筒装饰装配图
图片尺寸820x599
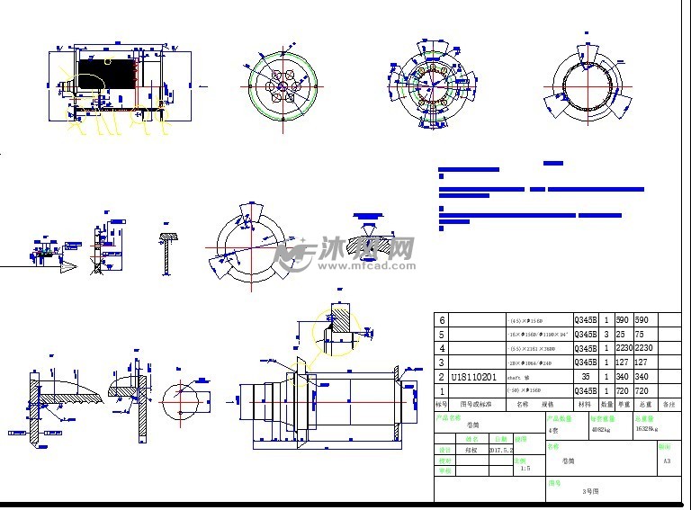
【606】32吨桥式起重机卷筒组设计cad图纸卷筒轴齿轮盘接手大齿轮
图片尺寸300x300
机械类卷筒
图片尺寸768x567
亚重φ4001000起重机双梁行车卷筒组卷扬机起升卷筒
图片尺寸1080x1080
山东亚泰重型机械有限公司引进先进技术,专业设计制造优质高档,卷筒
图片尺寸500x671