夹套法兰标准

钢制夹套法兰标准
图片尺寸600x817
钢制夹套法兰标准
图片尺寸600x835
夹套法兰标准图
图片尺寸945x1337
法兰标准尺寸表
图片尺寸920x1302
钢制夹套法兰标准
图片尺寸600x818
什么是夹套法兰
图片尺寸581x736
法兰标准尺寸表
图片尺寸800x1132
夹套法兰 带颈夹套法兰 对焊夹套法兰
图片尺寸699x700
国标法兰标准尺寸
图片尺寸800x1132
钢制夹套法兰标准
图片尺寸600x451
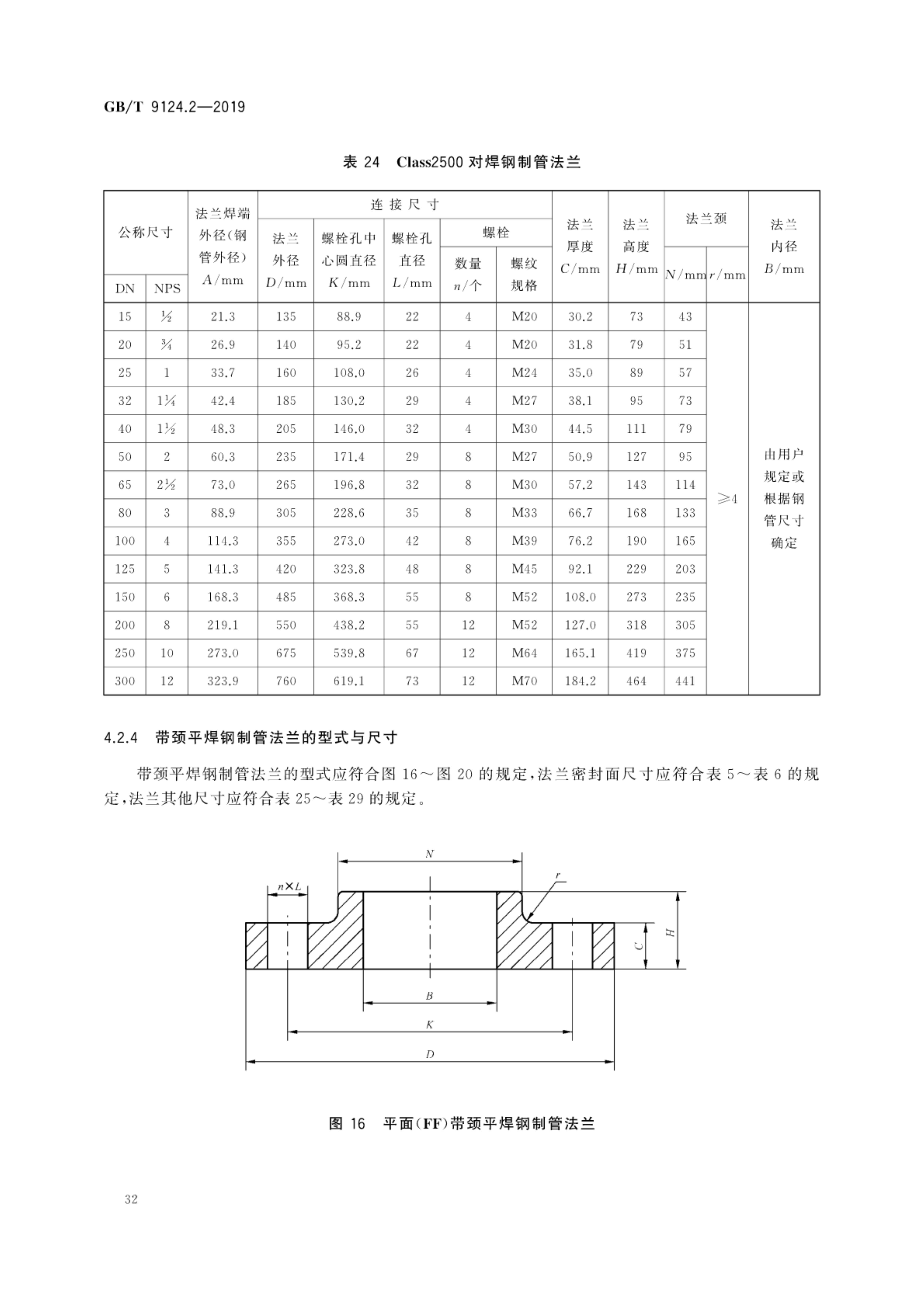
钢制管法兰—第2部分:class 系列
图片尺寸4958x7008
jpi-7s-15-2005 法兰标准
图片尺寸959x1356
class系列松套法兰的尺寸~hg/t
图片尺寸1080x1427
日标jis法兰标准规范.doc
图片尺寸993x1404
法兰标准01
图片尺寸1691x2314
din -flange std德国法兰盘标准
图片尺寸1656x2344
1 2019法兰pn系列:4.2.10翻边短节板式松套钢制管法兰
图片尺寸640x744
钢制管法兰—第2部分:class 系列
图片尺寸4958x7008
pph活套法兰(法兰 垫环)
图片尺寸790x982
什么是夹套法兰
图片尺寸804x502