夹套管法兰标准

法兰标准尺寸表
图片尺寸920x1302
法兰标准尺寸表
图片尺寸800x1132
钢制夹套法兰标准
图片尺寸600x835
钢制夹套法兰标准
图片尺寸600x817
法兰尺寸对照表
图片尺寸920x1302
钢制夹套法兰标准
图片尺寸600x818
翻边环板式松套钢制管法兰 gb-t 9122-2010
图片尺寸500x669
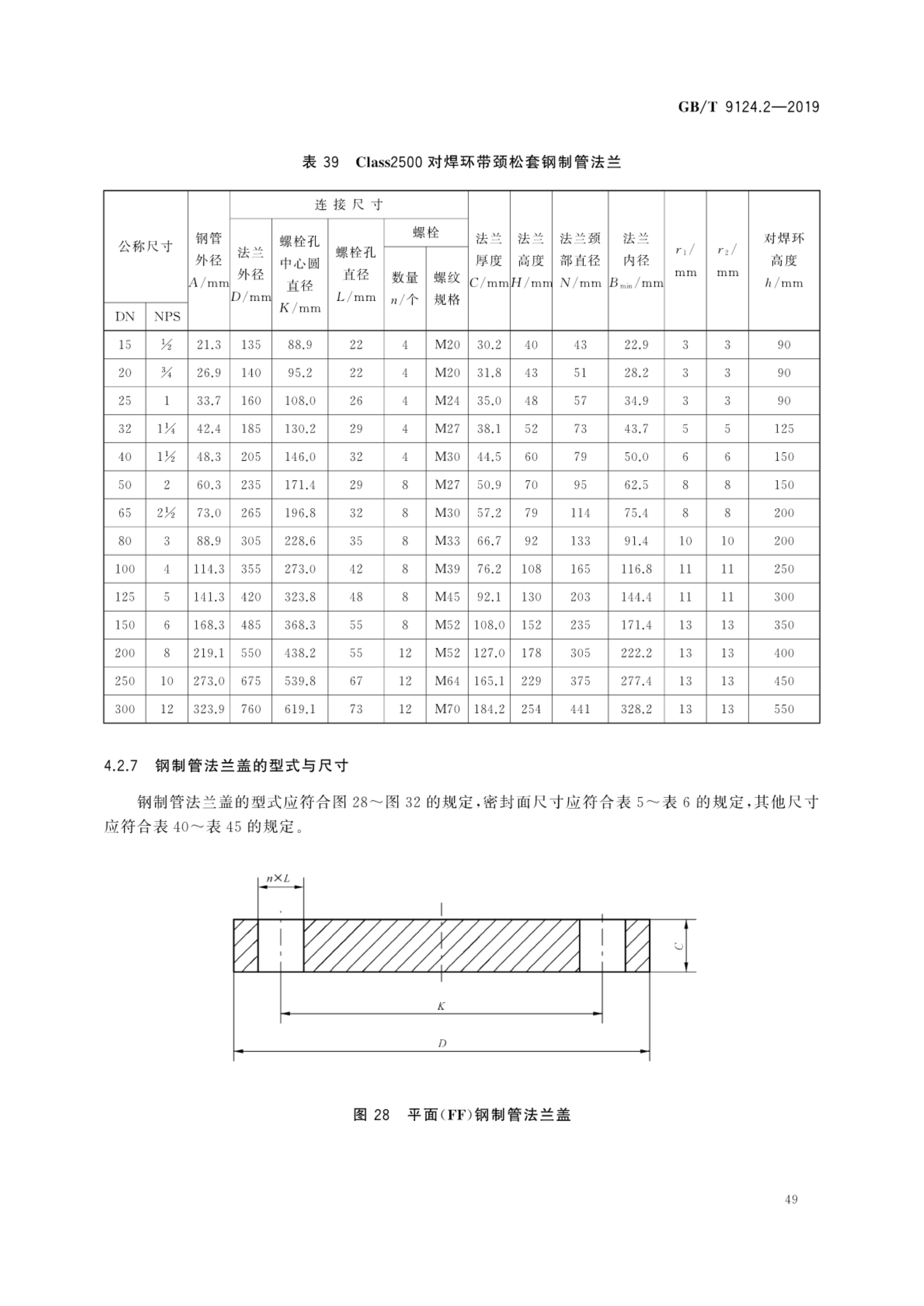
钢制管法兰—第2部分:class 系列
图片尺寸4958x7008
钢制管法兰—第2部分:class 系列
图片尺寸4958x7008
钢制管法兰—第2部分:class 系列
图片尺寸4958x7008
美标法兰标准
图片尺寸920x1302
什么是夹套法兰
图片尺寸581x736
钢制管法兰—第2部分:class 系列
图片尺寸4958x7008
法兰标准01
图片尺寸1691x2314
1 2019法兰pn系列:4.2.10翻边短节板式松套钢制管法兰
图片尺寸640x744
pph活套法兰(法兰 垫环)
图片尺寸790x982
钢制管法兰—第2部分:class 系列
图片尺寸4958x7008
钢制管法兰—第2部分:class 系列
图片尺寸4958x7008
钢制夹套法兰标准
图片尺寸600x451
0mpa(40 bar) 凸面对焊环松套板式钢制管法兰
图片尺寸800x1133