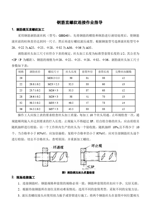
套筒连接规范

正反丝国标钢筋套筒 直螺纹连接套筒钢筋连接器钢筋接头
图片尺寸800x869
钢筋套筒连接规范标准jgj1072016钢筋机械连接技术规程一
图片尺寸1636x2382
直螺纹套筒规范要求
图片尺寸920x1302
钢筋套筒连接规范标准jgt1632013钢筋机械连接用套筒图片版在线下载
图片尺寸796x1103
直螺纹套筒a南阳直螺纹套筒国标连接规范.#抖音图文来了 直 - 抖音
图片尺寸750x750
钢筋套筒连接规范标准jgj1072016钢筋机械连接技术规程一
图片尺寸1636x2382
钢筋套筒连接规范标准jgt3982012钢筋连接用灌浆套筒操作规范标准在线
图片尺寸787x1224
钢筋套筒连接规范标准jgj1072016钢筋机械连接技术规程一
图片尺寸1636x2382
关键词:钢筋连接套筒
图片尺寸888x478
钢筋直螺纹套筒钢筋连接套筒直螺纹链接套筒厂家直销
图片尺寸790x733
国标新疆钢筋套筒25直螺纹套筒钢筋连接套筒松茂建材
图片尺寸750x990
钢筋套筒直螺纹套筒国标钢筋直螺纹套筒隧道高铁桥梁专用钢筋连接接头
图片尺寸800x921
钢筋套筒灌浆连接如何施工住建厅最新工艺指南
图片尺寸720x1200
36直螺纹套筒a36直螺纹套筒尺寸规范.#抖音图文来了36直 - 抖音
图片尺寸750x750
金盛 直螺纹套筒规范 连接钢筋 墩粗 新国标四级钢
图片尺寸790x914
钢筋套筒连接规范a东莞钢筋套筒连接规范.钢筋套筒连接规范a东 - 抖音
图片尺寸752x752
18直螺纹套筒22钢筋套筒安达机械严格生产25钢筋接头
图片尺寸790x1038
接头未打磨直螺纹钢筋未及时套筒保护钢筋连接02剪力墙暗柱拉筋直径
图片尺寸640x479
钢筋套筒型号分类 - 百度文库
图片尺寸496x702
小徐笔记31一级直螺纹套筒接头可以在任何位置连接
图片尺寸540x835