套筒阀结构

所有分类 工程科技 机械/仪表 套筒单座调节阀 该阀体积紧凑,结构简单
图片尺寸1251x1096
气动薄膜单座套筒调节阀套筒结构形式
图片尺寸653x427
zjhm精小型气动套筒调节阀
图片尺寸666x377
t962h电子式焊接套筒调节阀
图片尺寸527x376
zazp,zazm-16c电动单座,套筒调节阀
图片尺寸411x319
cn108061171a_套筒调节阀在审
图片尺寸1163x1219
气动薄膜套筒调节阀工作原理图
图片尺寸245x250
多孔式二级降压套筒阀的制作方法
图片尺寸815x1000
套筒阀结构示意图阀上盖外形示意图执行机构dkz型直行程电动执行机构
图片尺寸521x334
双座阀结构示意图zazm型电动套筒调节阀由dkz型电动执行机构和直通低
图片尺寸490x369
一种套筒式调节阀的制作方法
图片尺寸548x787
智能气动薄膜套筒调节阀工作原理
图片尺寸750x1013
一种大口径高温高压套筒调节阀
图片尺寸817x1000
套筒调节阀制造技术,套筒调节阀结构图专利_技高网
图片尺寸954x1000
一种柔性结构的双道硬密封套筒式调节阀
图片尺寸1888x2439
气动套筒调节阀说明书
图片尺寸300x272
zjsm气动薄膜套筒调节阀主要零件材料及内部结构
图片尺寸395x479
多级套筒式调节阀结构原理示意
图片尺寸380x438
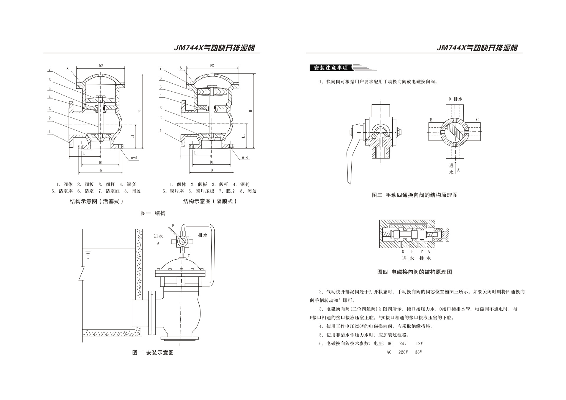
sd44x手动套筒排泥阀dn600手动快开排泥阀250mm角式排泥阀门dn450
图片尺寸1920x1357
zdsp(m)精小型电子式电动单座(套筒)调节阀结构图1
图片尺寸496x504