套筒零件图

套筒2pdf
图片尺寸800x566
1套筒零件图pdf
图片尺寸800x568
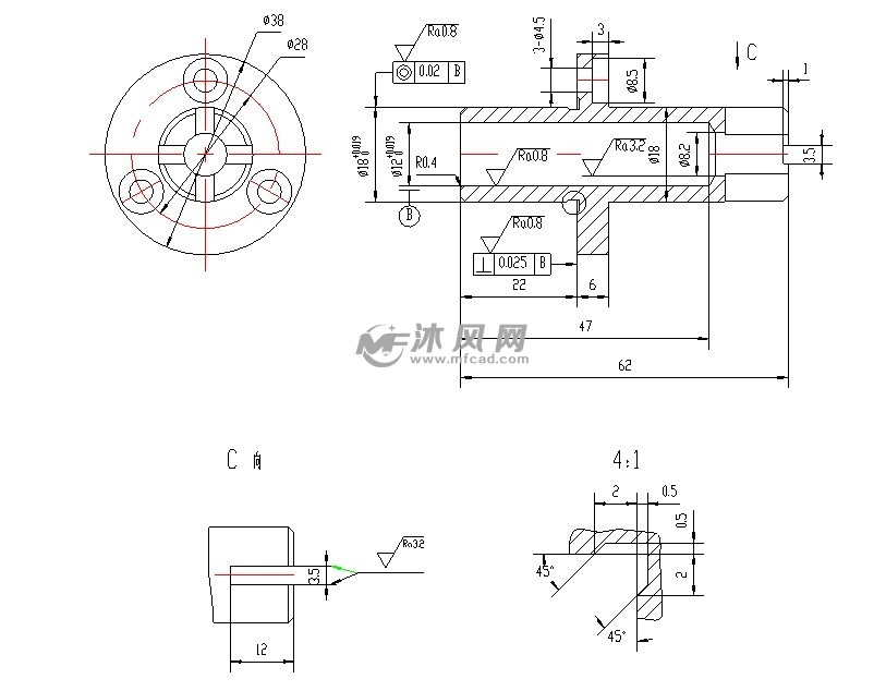
套筒零件图中,有同轴度几何公差要求的被测要素为(),基准要素为().
图片尺寸890x590
读套筒零件图,在指定位置分别画出b向视图和移出断面图.
图片尺寸646x397
套筒类零件加工工艺问题分析及典型工艺
图片尺寸1014x810
车床尾座套筒机加工工艺规程及专用三维夹具
图片尺寸820x1159
套筒零件图中,有同轴度几何公差要求的被测要素为(),基准要素为().
图片尺寸890x584
套筒pdf
图片尺寸800x566
套筒零件数控车床加工编程2
图片尺寸434x366
转动套筒零件图
图片尺寸841x594
套筒零件机械加工工艺规程及铣套筒宽35深1槽工装夹具设计
图片尺寸813x634
套筒零件机械加工工艺规程及铣套筒宽35深1槽工装夹具设计
图片尺寸820x615
k423-支撑套筒机械加工工艺规程设计-大批量【总长298】【含cad图纸
图片尺寸1200x800
套筒零件图
图片尺寸820x580
大套筒
图片尺寸379x540
套筒a3
图片尺寸820x637
套筒工艺及钻3m2孔夹具设计
图片尺寸820x580
> 车床尾座套筒六,车床尾座套筒 2-29 图2-29 车库尾座套筒 1,零件
图片尺寸715x753
套筒1个滑块弧形搓板棒料校直机执行部件零件图cad图纸新装配图
图片尺寸820x1159
采购非标1寸气动套筒
图片尺寸771x600