存储器24c16电路图

3 3 add 0 7 wp o 4 gnd 0 8 vcc 5 ic7802(24c16)存储器引脚电压数据
图片尺寸571x412
24c02模块电路
图片尺寸599x427
pc1089k 1024 ir卡 24c16 25l512的原理图
图片尺寸1179x785
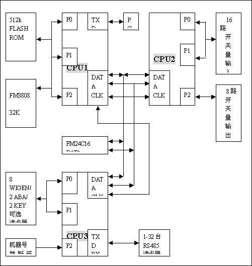
铁电存储器在多mcu系统中应用附fm24c16的作用fm24c16引脚图及工作
图片尺寸417x230
24c02掉电存储模块原理图pcb设计
图片尺寸429x246
6 fm24c16模块电路设计 铁电存储器fm24c16的电路也是很简单,只要通过
图片尺寸420x252
eeprom存储器24c02手册(中文)
图片尺寸893x1263
24c02原理图及应用程序
图片尺寸579x363
24c16_集成电路资料查询网
图片尺寸1275x1650
24c02资料eeprom存储器
图片尺寸752x525
图1为用翻译法将原有继电器—接触器控制线路改用plc进行控制的电路图
图片尺寸828x596
24c02
图片尺寸828x473
stm32f103读写24c02 c程序 有硬件电路图和程序
图片尺寸842x451
变频器存储器型号问题解决方案华强电子网
图片尺寸443x175
存储芯片 24c02 串行i2c总线 eeprom
图片尺寸373x357
发送正常状态信息(24c16中的第3页31字节) 任务4:监控485读卡器信息
图片尺寸501x529
1ua典型待机电流·存储器组织结构24co2,256 x8(2k bits)- 24co4,512
图片尺寸576x255
精通维修下载 文档资料 家电技术 单元电路介绍 电视机电路
图片尺寸694x605
680 pce# prd# pwr# scl sda flash_vcc stm29w160/mx29lv800(160)
图片尺寸1249x798
神舟iv学习笔记(六)i2c接口eeprom-软硬件实现
图片尺寸500x392