安全阀cad画法

管道阀门图例大全
图片尺寸640x455
弹簧微启式螺纹安全阀 1)产品系列 a21h-16c,a21h-40,a21y-16p.
图片尺寸363x577
安全阀的知识都在这里了拿走不谢
图片尺寸415x409
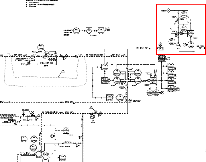
安全阀排放静压力
图片尺寸268x291
关于安全阀,所有的知识都在这里了!
图片尺寸596x466
管道阀门图例大全
图片尺寸647x642
管道阀门的精髓不过也就这4个方面
图片尺寸442x502
空气煤气安全阀
图片尺寸220x202
以安全阀密封为例,是一种系统的工作压力自动启闭的安全保护所用的
图片尺寸951x512
安全联锁中紧急切断阀应用的六个难点解读
图片尺寸719x566
a69y主安全阀
图片尺寸151x220
液货船安全1000问液化气船货舱安全阀起跳后就束手无策了吗
图片尺寸480x519
图解这些阀到底该如何安装
图片尺寸555x233
蝶阀-带法兰信号蝶阀-无法兰角阀减压阀底阀弹簧安全阀延时自闭冲洗阀
图片尺寸160x105
景观基础识图看完你会懂很多
图片尺寸640x510
(m)图例表示安全阀,左图为通用,中图为弹簧安全阀,右图为重锤安全阀
图片尺寸640x640
案例共轨泄压阀打开的原因分析
图片尺寸545x334
双联弹簧式安全阀
图片尺寸220x202
管道阀门的精髓不过也就这4个方面
图片尺寸409x488
景观基础识图,看完你会懂很多!
图片尺寸593x545